GM Service Manual Online
For 1990-2009 cars only
Makes
🢒
Chevrolet
🢒
1996
🢒
Chevy G Van
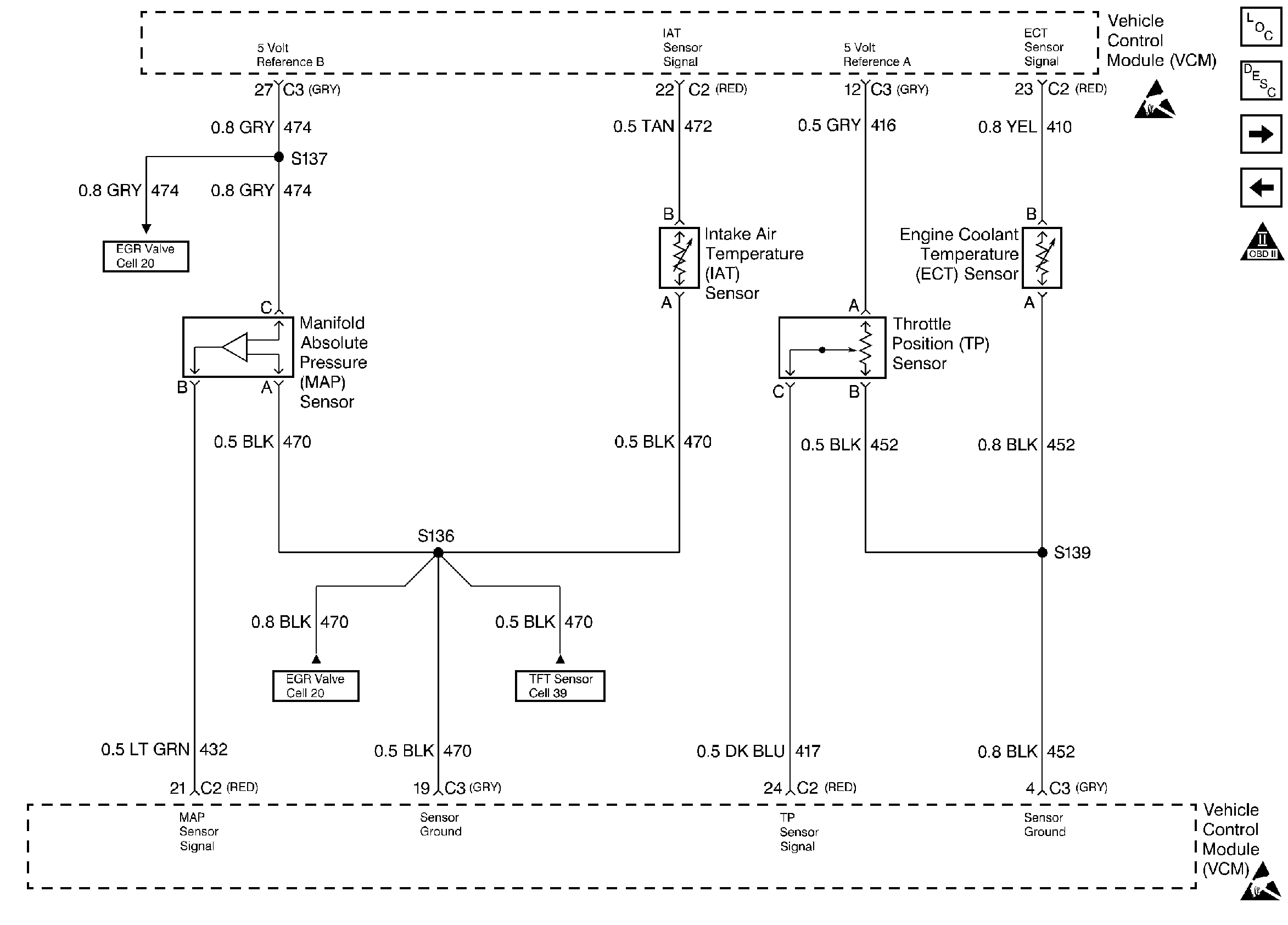
🢒 MAP, IAT, TP, ECT Sensors
MAP, IAT, TP, ECT Sensors
MAP,IAT,TP,ECT Sensors
Engine Controls Components
Information Sensors
Handling ESD Sensitive Parts Notice
Handling ESD Sensitive Parts Notice
OBD II Symbol Description Notice
EGR Valve, EVAP Canister Purge Valve, EVAP Canister Vacuum Switch, MAF Sensor
Injectors