GM Service Manual Online
For 1990-2009 cars only
Makes
🢒
Chevrolet
🢒
1996
🢒
Chevy G Van
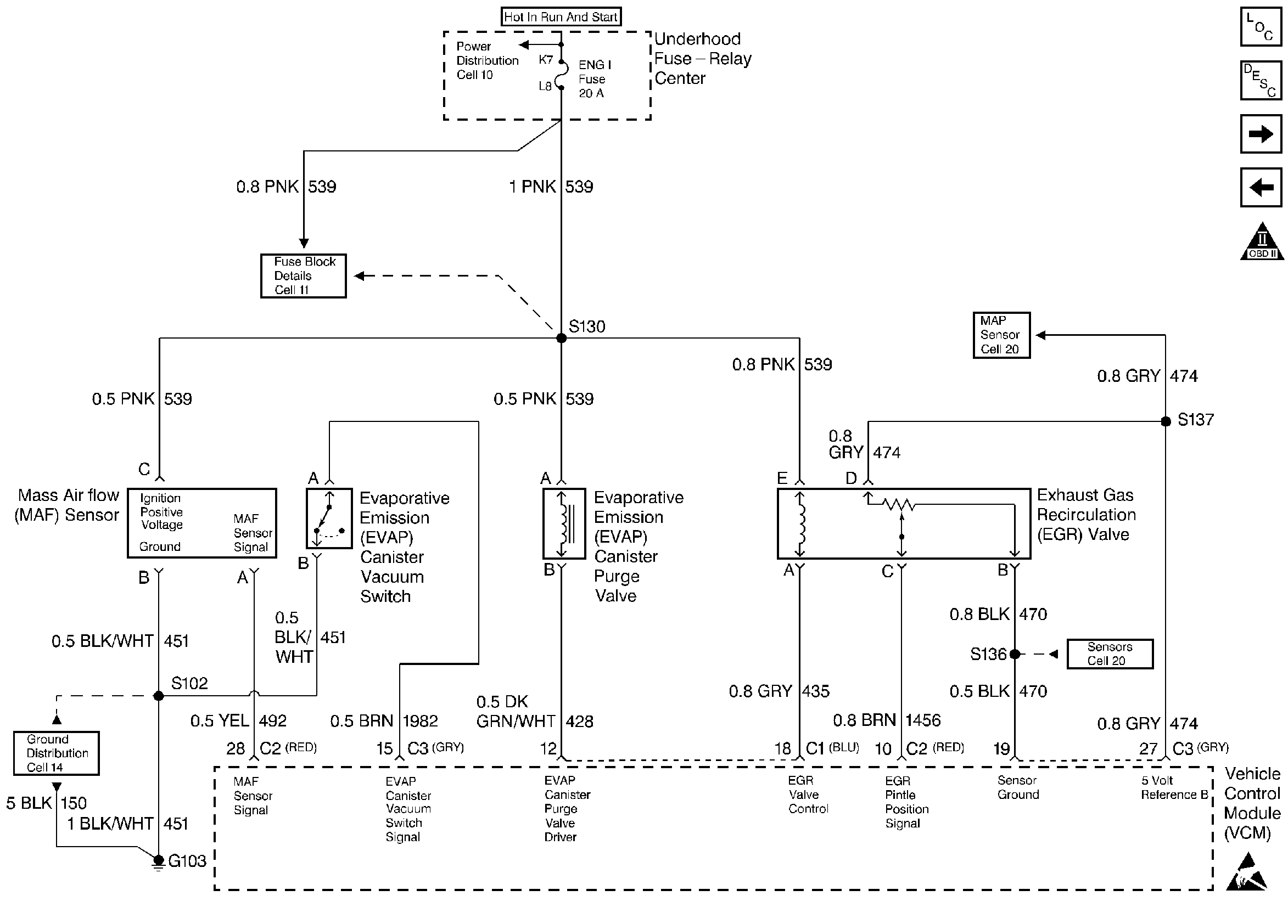
🢒 EGR Valve, EVAP Canister Purge Valve, EVAP Canister Vacuum Switch, MAF Sensor
EGR Valve, EVAP Canister Purge Valve, EVAP Canister Vacuum Switch, MAF Sensor
EGR Valve,EVAP Canister Purge Valve, EVAP Canister Vacuum Switch, MAF Sensor
Engine Controls Components
Information Sensors
OBD II Symbol Description Notice
Handling ESD Sensitive Parts Notice
Heated Oxygen Sensors
MAP, IAT, TP, ECT Sensors