GM Service Manual Online
For 1990-2009 cars only
Makes
🢒
Chevrolet
🢒
1996
🢒
Chevy G Van
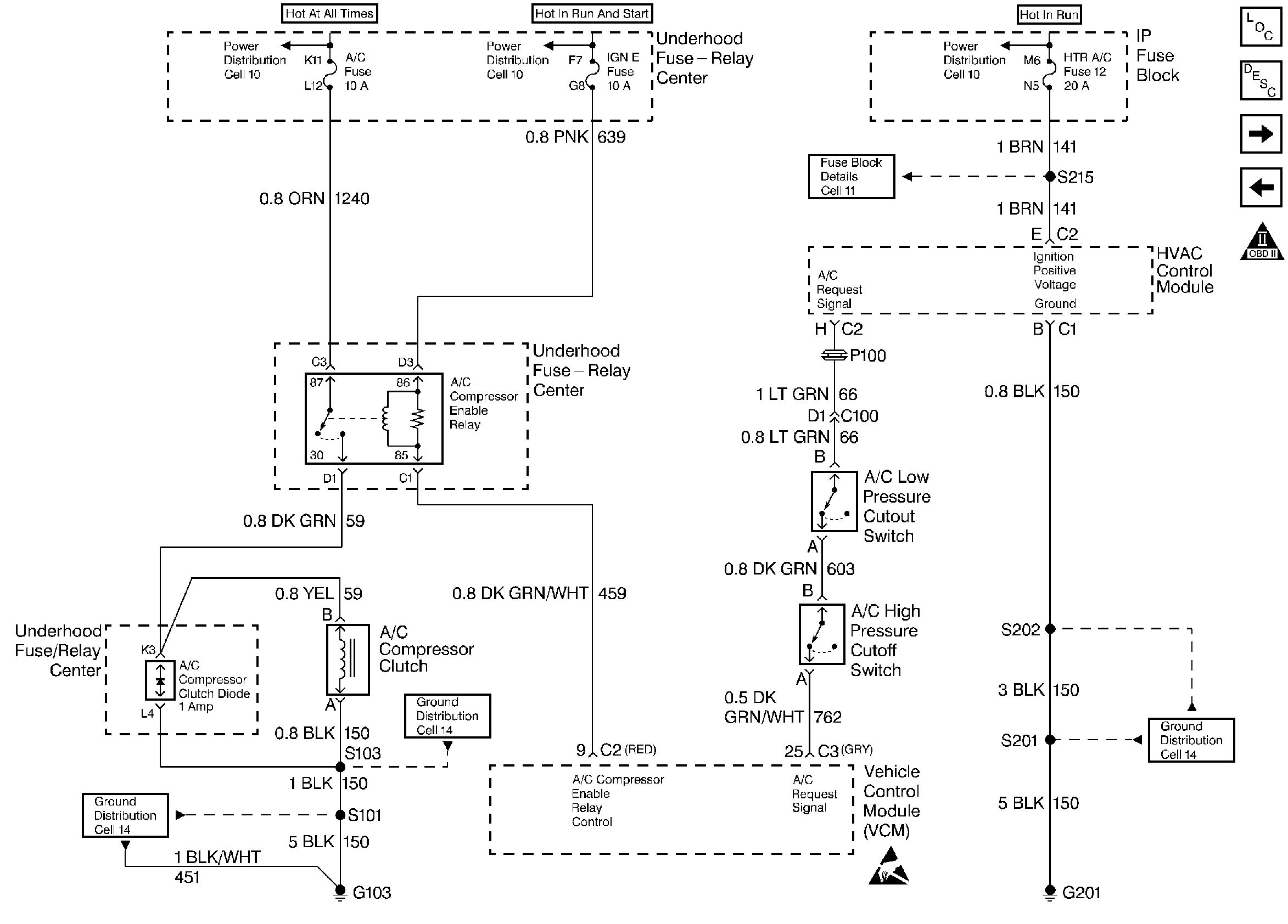
🢒 A/C Low Pressure Cutoff Switch, A/C High Pressure Cutoff Switch
A/C Low Pressure Cutoff Switch, A/C High Pressure Cutoff Switch
A/C Low Pressure Cutoff Switch,A/C High Pressure Cutoff Switch
Engine Controls Components
OBD II Symbol Description Notice
Handling ESD Sensitive Parts Notice
DLC, MIL, I/P
4L80E A/T ISS Sensor, A/T