GM Service Manual Online
For 1990-2009 cars only
Makes
🢒
Chevrolet
🢒
1996
🢒
Chevy G Van
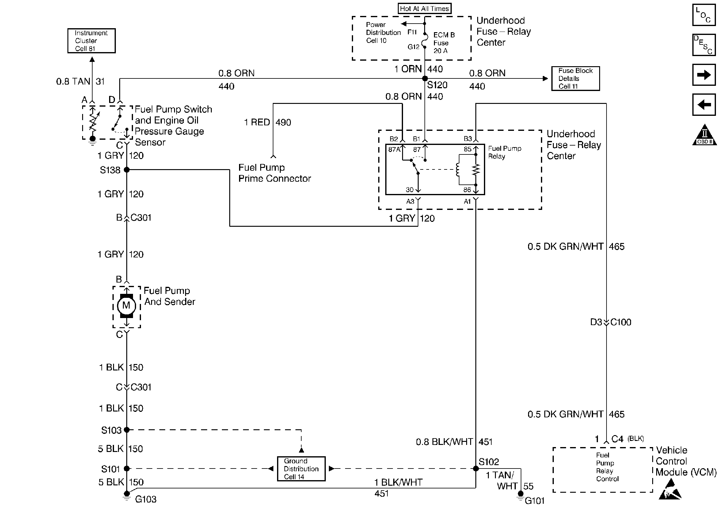
🢒 Fuel Pump Switch and Engine Oil Pressure Gauge Sensor (7.4L)
Fuel Pump Switch and Engine Oil Pressure Gauge Sensor (7.4L)
Fuel Pump Switch and Engine Oil Pressure Gauge Sensor (7.4L)
Engine Controls Components 5.0L/5.7L/7.4L
Fuel System Overview
OBD II Symbol Description Notice
Handling ESD Sensitive Parts Notice
Fuel Injector #1 - #8 (7.4L)
CKP, CMP Sensor, ICM (7.4L)