GM Service Manual Online
For 1990-2009 cars only
Makes
🢒
Chevrolet
🢒
1996
🢒
Chevy G Van
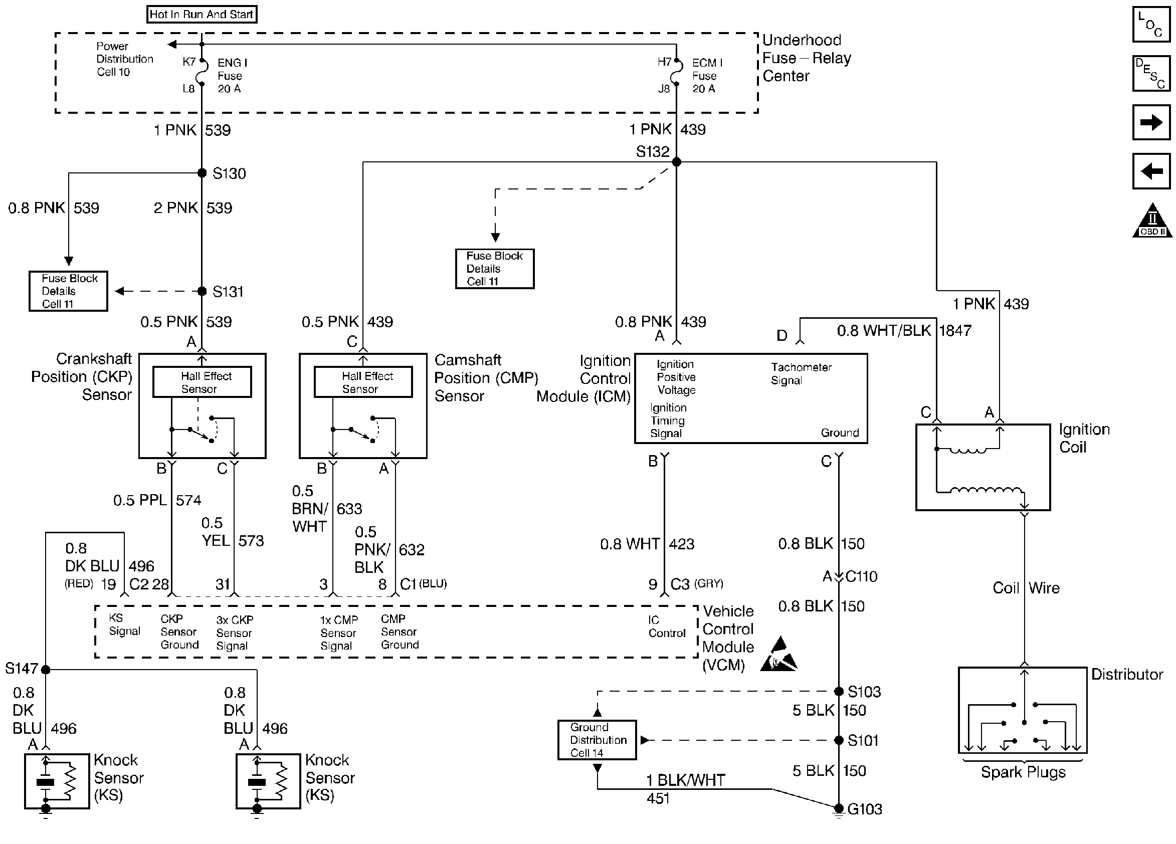
🢒 CKP, CMP Sensor, ICM (7.4L)
CKP, CMP Sensor, ICM (7.4L)
CKP, CMP Sensor, ICM (7.4L)
Engine Controls Components 5.0L/5.7L/7.4L
Enhanced Ignition System Overview
OBD II Symbol Description Notice
Handling ESD Sensitive Parts Notice
Fuel Pump Switch and Engine Oil Pressure Gauge Sensor (7.4L)
DLC (7.4L)