GM Service Manual Online
For 1990-2009 cars only
Makes
🢒
Chevrolet
🢒
1996
🢒
Chevy G Van
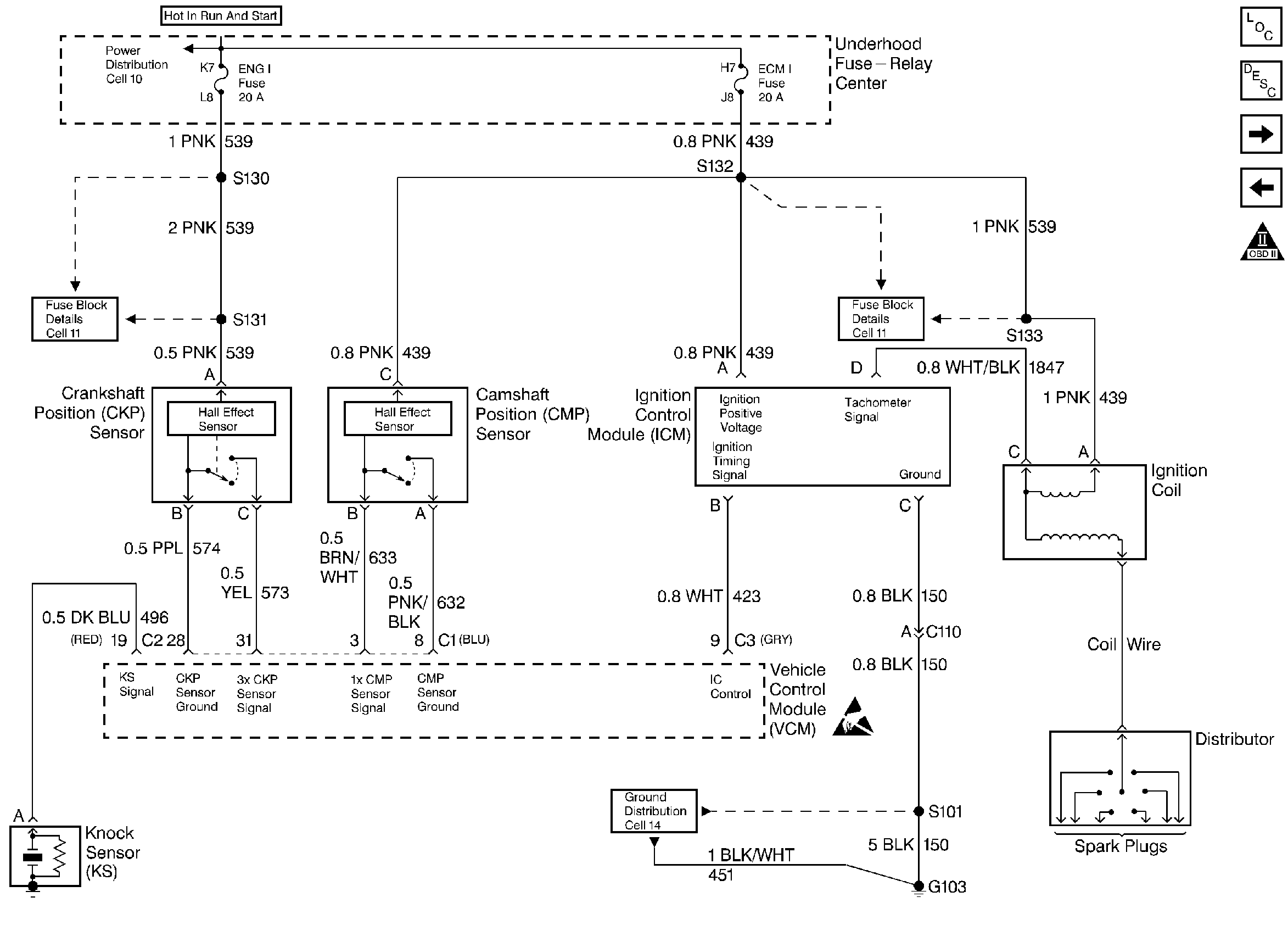
🢒 CKP, CMP Sensors, ICM with Ignition Coil (5.0L/5.7L)
CKP, CMP Sensors, ICM with Ignition Coil (5.0L/5.7L)
CKP, CMP Sensors, ICM with Ignition Coil (5.0L/5.7L)
Engine Controls Components 5.0L/5.7L/7.4L
Enhanced Ignition System Overview
Fuel Pump, Fuel Pump Relay, Oil Pressure Switch (5.0L/5.7L)
DLC, MIL, I/P (5.0L/5.7L)
OBD II Symbol Description Notice
Handling ESD Sensitive Parts Notice