GM Service Manual Online
For 1990-2009 cars only
Makes
🢒
Chevrolet
🢒
1996
🢒
Chevy G Van
🢒 Fuel Pump Controls
Fuel Pump Controls
Fuel Pump Controls
Engine Controls Components
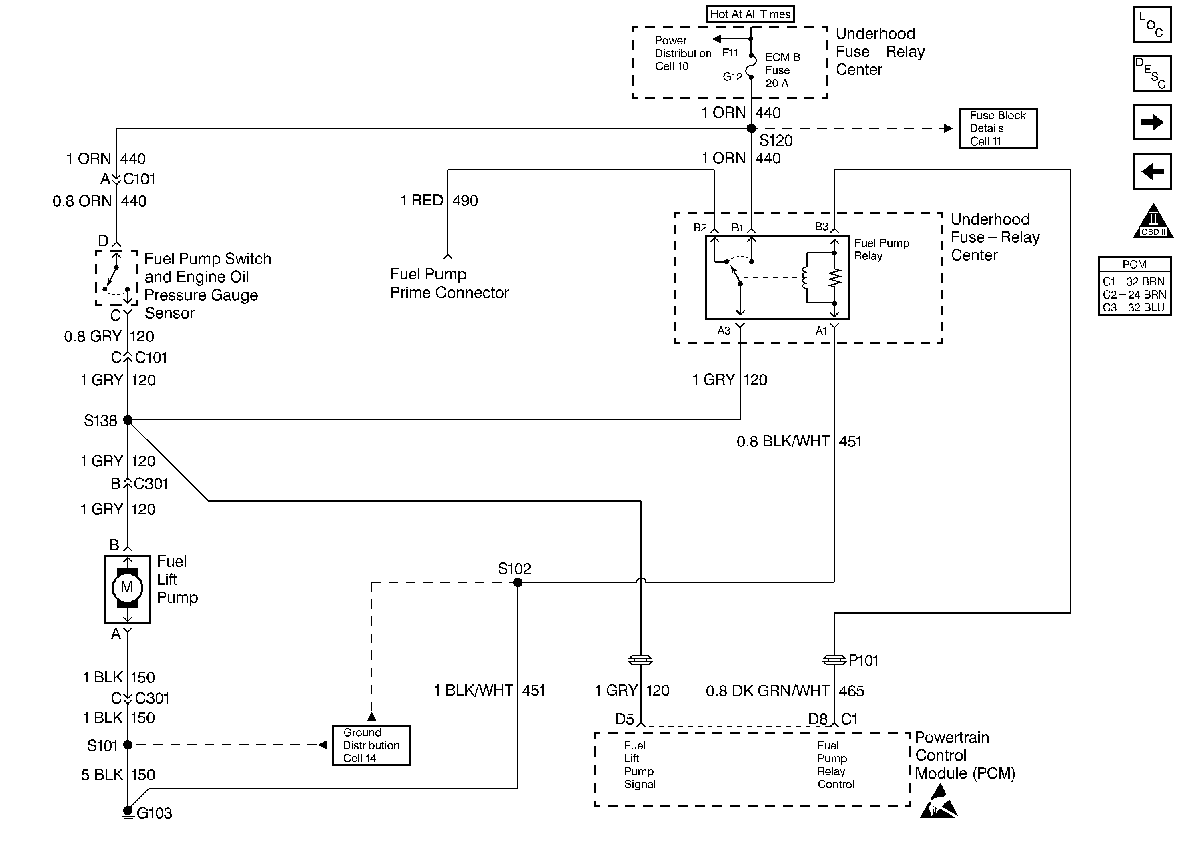
Fuel Lift Pump Electrical Circuit
Fuel Controls
Glow Plug Controls
OBD II Symbol Description Notice
Handling ESD Sensitive Parts Notice