GM Service Manual Online
For 1990-2009 cars only
Makes
🢒
Chevrolet
🢒
1996
🢒
Chevy G Van
🢒 Fuel Controls
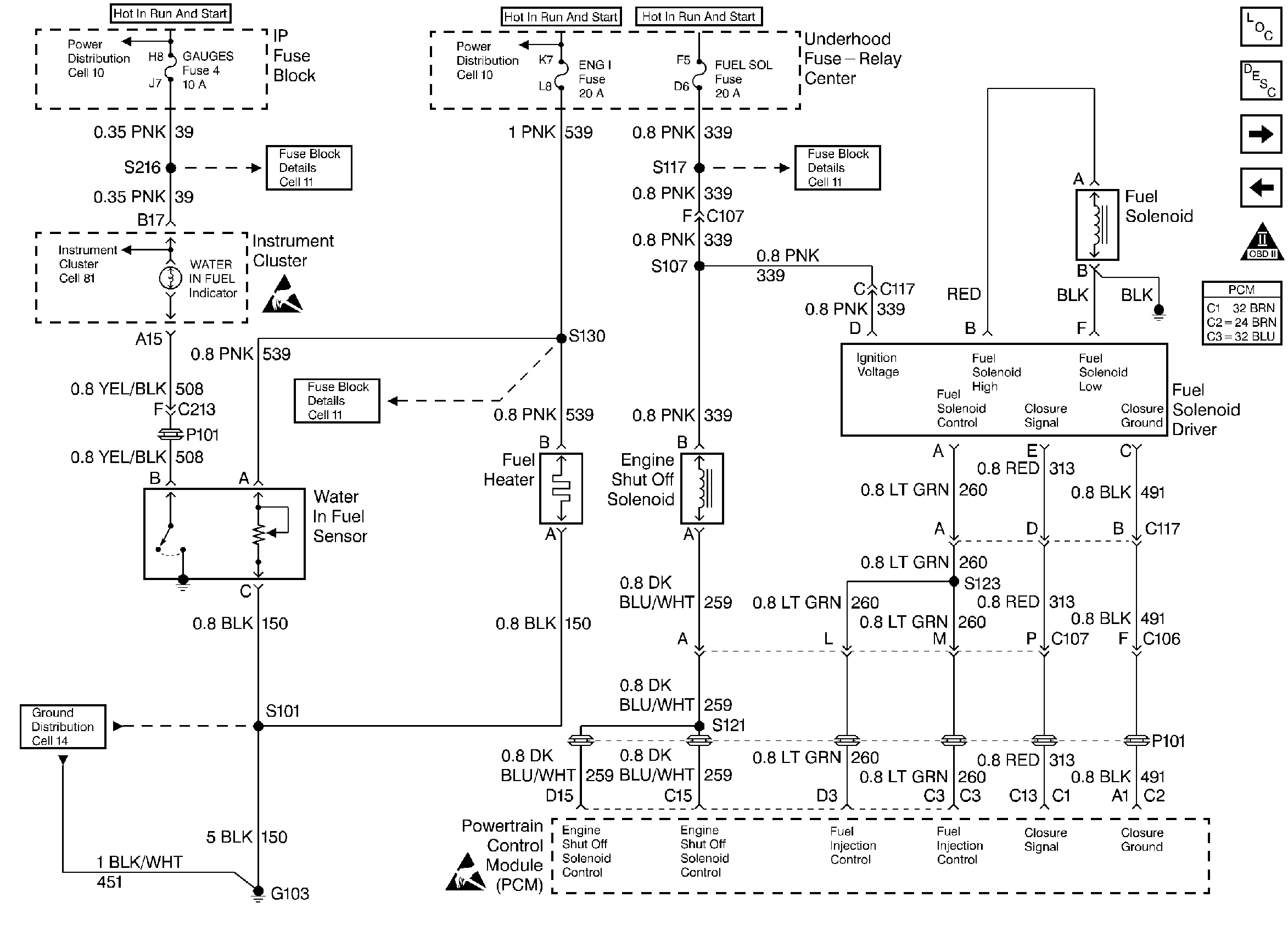
Fuel Controls
Fuel Controls
Engine Controls Components
Information Sensors
Fuel Temperature Sensor and Ignition Timing Stepper (ITS)Motor
Fuel Pump Controls
OBD II Symbol Description Notice
Handling ESD Sensitive Parts Notice
Handling ESD Sensitive Parts Notice