GM Service Manual Online
For 1990-2009 cars only
Makes
🢒
Chevrolet
🢒
1996
🢒
Chevy G Van
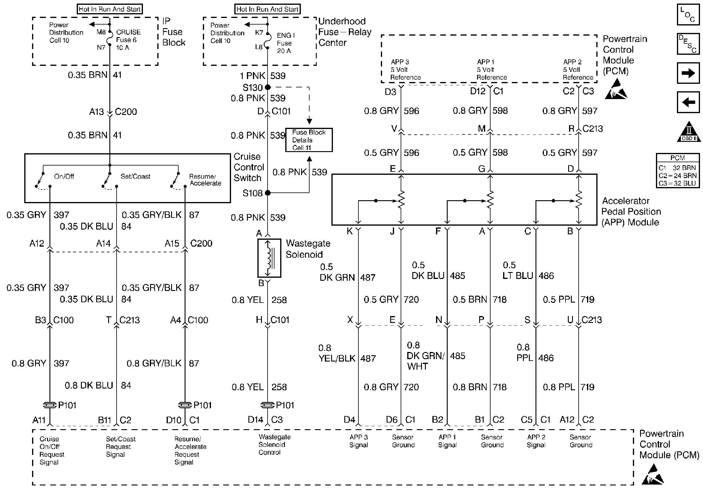
🢒 Cruise Control Switch, Wastegate Solenoid, and APP Module
Cruise Control Switch, Wastegate Solenoid, and APP Module
Cruise Control Switch, Wastegate Solenoid, and APP Module
Engine Controls Components
Accelerator Pedal Position Module Replacement
Vehicle Speed Sensor (VSS)
Engine Data Sensors
OBD II Symbol Description Notice
Handling ESD Sensitive Parts Notice
Handling ESD Sensitive Parts Notice