GM Service Manual Online
For 1990-2009 cars only
Makes
🢒
Chevrolet
🢒
1996
🢒
Chevy G Van
🢒 Engine Data Sensors
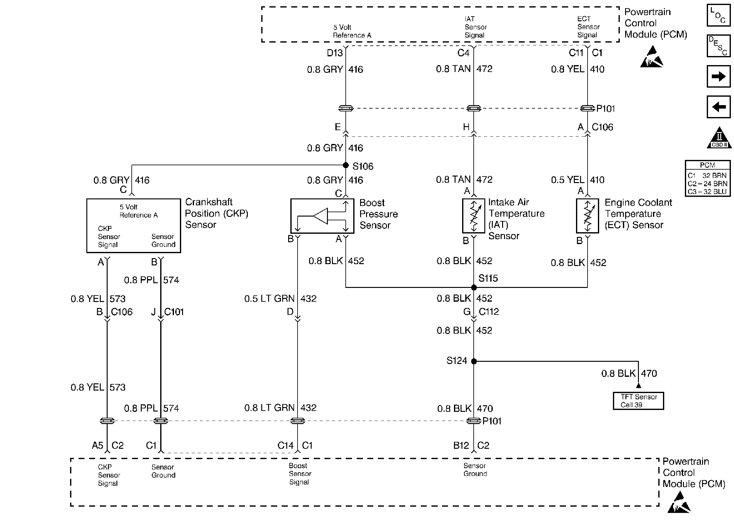
Engine Data Sensors
Engine Data Sensors
Engine Controls Components
Information Sensors
Cruise Control Switch, Wastegate Solenoid, and APP Module
Fuel Temperature Sensor and Ignition Timing Stepper (ITS)Motor
OBD II Symbol Description Notice
Handling ESD Sensitive Parts Notice
Handling ESD Sensitive Parts Notice