GM Service Manual Online
For 1990-2009 cars only

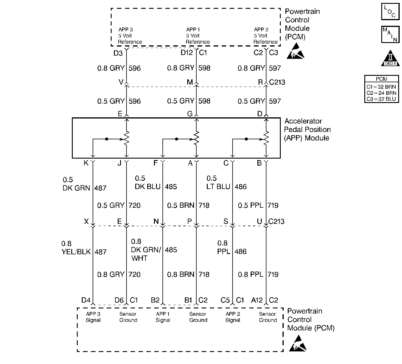
Object Number: 52975  Size: LF
Engine Controls Components
Cruise Control Switch, Wastegate Solenoid, and APP Module
OBD II Symbol Description Notice
Handling ESD Sensitive Parts Notice
Handling ESD Sensitive Parts Notice

Circuit Description

The Accelerator Pedal Position (APP) module provides a voltage signal that changes relative to the accelerator pedal position. There are three sensors which are located within the APP module that are scaled differently. This is a type D DTC.

Conditions for Setting the DTC

    • The voltage is greater than 4.75 volts for 2 seconds on the APP 3 sensor.
    • The conditions were met for 2 seconds.

Action Taken When the DTC Sets

    • The input from the APP 3 sensor is ignored.
    • This DTC will not turn the Service Throttle Soon lamp ON by itself.
    • The throttle will operate normally as long as there is only one malfunction present. If two different APP sensors have a malfunction, the Service Throttle Soon lamp will light and the PCM will limit the power. If three APP sensors have a malfunction present, the Service Throttle Soon lamp will light and the PCM will only allow the engine to operate at idle.

Conditions for Clearing the MIL/DTC

    • A History DTC will clear after forty consecutive warm-up cycles during which the diagnostic does not fail (the coolant temperature has risen 5°C (40°F) from the start up coolant temperature and the engine coolant temperature exceeds 71°C (160°F) during that same ignition cycle).
    • Use of a Scan tool will clear the DTC codes.

Diagnostic Aids

There are no driveability issues associated with the APP module unless a DTC is present. The most likely cause of this DTC are poor connections or the sensor itself. The least likely is a PCM problem.

A scan tool reads the APP 3 position in volts. The scan tool should read about 4.0 volts with the throttle closed and the ignition ON or at idle. The voltage should decrease at a steady rate as the throttle is moved toward a Wide Open Throttle (WOT). Also, 90% pedal travel is acceptable for a correct APP operation. Scan the APP 3 sensor while depressing the accelerator pedal with the engine stopped and the ignition ON. The display should vary from about 4.0 volts when the throttle is closed to about 2.0 volts when the throttle is held at a Wide Open Throttle (WOT) position.

Test Description

The number(s) below refer to the Step number(s) on Diagnostic Table.

  1. This Step will determine if DTC P0228 is the result of a hard failure or an intermittent condition.

  2. This Step checks the PCM and the wiring.

Step

Action

Value(s)

Yes

No

1

Important: Before clearing the DTCs, use the Scan Tool Capture Info in order to record the Freeze Frame and the failure records for reference, as the data will be lost when the Clear Info function is used.

Was the Powertrain On-Board Diagnostic (OBD) System Check performed?

--

Go to Step 2

Go to Powertrain On Board Diagnostic (OBD) System Check

2

  1. Turn the ignition ON with the engine OFF.
  2. With the throttle closed, observe the APP 3 display on the Scan Tool.

Is the APP 3 greater than or equal to the specified value?

4.75V

Go to Step 4

Go to Step 3

3

The DTC is intermittent. If no additional DTCs are stored, refer to Diagnostic Aids. If any additional DTCs were stored, refer to the applicable DTC table(s) first.

Are there any additional DTCs stored ?

--

Go to the Applicable DTC Table

Go to Diagnostic Aids

4

  1. Disconnect the APP sensor harness connector.
  2. Probe the APP 3 sensor ground circuit at the APP sensor harness connector with a test light connected to B+.

Is the test light ON?

--

Go to Step 5

Go to Step 7

5

Use a fused jumper wire in order to jump the APP 3 signal circuit to the APP 3 ground circuit at the APP harness connector.

Does the Scan Tool display the APP 3 voltage less than the specified value?

0.25V

Go to Step 8

Go to Step 6

6

  1. Check for an open on the APP 3 sensor signal circuit.
  2. If the APP 3 sensor signal is open, repair as necessary.

Was the APP 3 sensor signal circuit open?

--

Go to Step 11

Go to Step 10

7

  1. Check for an open sensor ground circuit.
  2. If a problem is found, repair as necessary.

Was the APP 3 sensor ground circuit open?

--

Go to Step 11

Go to Step 10

8

Check for a poor electrical connection at the APP sensor.

Was a repair performed?

--

Go to Step 11

Go to Step 9

9

Replace the APP module. Refer to APP Module Replacement .

Is the action complete?

--

Go to Step 11

--

10

Replace the PCM.

Important: If the PCM is malfunctioning, the new PCM must be programmed. Refer to Powertrain Control Module Replacement/Programming .

Is the action complete?

--

Go to Step 11

--

11

  1. Use the Scan Tool in order to select DTC, Clear Info.
  2. Start the engine.
  3. Allow the engine to idle at the normal operating temperature.
  4. Select DTC, Specific, then enter the DTC number which was set.
  5. Operate the vehicle within the conditions for setting this DTC as specified in the supporting text.

Does the Scan Tool indicate that this diagnostic Ran and Passed?

--

Go to Step 12

Go to Step 2

12

Use the Scan Tool in order to select Capture Info, Review Info.

Are there any DTCs displayed that have not been diagnosed?

--

Go to the Applicable DTC Table

System OK