GM Service Manual Online
For 1990-2009 cars only

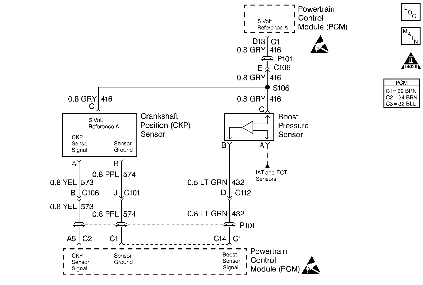
Object Number: 52968  Size: MF
Engine Controls Components
Engine Data Sensors
OBD II Symbol Description Notice
Handling ESD Sensitive Parts Notice
Handling ESD Sensitive Parts Notice

Circuit Description

The PCM operates a solenoid to control boost. This solenoid is normally open. By providing a ground path, the PCM energizes the solenoid which allows vacuum to pass to the wastegate valve. During normal operation, the PCM compares the wastegate duty cycle signal with the boost signal, and makes corrections to the duty cycle accordingly. This is a type B DTC.

Conditions for Setting the DTC

    • The Boost Pressure is less than 40 kPa.
    • The condition was met for 2 seconds.

Action Taken When the DTC Sets

The MIL will be illuminated after 2 test failures.

Conditions for Clearing the MIL/DTC

    • The PCM will turn the MIL OFF after three consecutive trips without a fault condition.
    • A History DTC will clear after forty consecutive warm-up cycles during which the diagnostic does not fail (the coolant temperature has risen 5°C (40°F) from the start up coolant temperature and the engine coolant temperature exceeds 71°C (160°F) during that same ignition cycle).
    • Use of a Scan Tool will clear the DTC codes.

Diagnostic Aids

Very little boost can be attained by revving the engine in neutral. If the boost sensor signal circuit is open or shorted to ground, the boost solenoid will show a zero duty cycle.

An intermittent may be caused by the following:

    • Poor connections.
    • Rubbed through wire insulation.
    • Broken wire inside the insulation.

Test Description

The number(s) below refer to the Step number(s) on the Diagnostic Table.

  1. This Step will determine if DTC P0237 is the result of a hard failure or an intermittent condition.

  2. This Step simulates conditions for a DTC P0237. If the PCM recognizes the change, the PCM and the signal circuit are OK.

  3. In this step, components that share the 5 volt reference can cause the reference voltage to be shorted to ground. This can be checked by disconnecting each component one at a time, including the PCM while checking for continuity on that circuit to chassis ground.

Step

Action

Value(s)

Yes

No

1

Important: Before clearing the DTCs, use the scan tool Capture Info in order to record the Freeze Frame and the failure records for reference, as the data will be lost when the Clear Info function is used.

Was the Powertrain On-Board Diagnostic (OBD) System Check performed?

--

Go to Step 2

Go to Powertrain On Board Diagnostic (OBD) System Check

2

  1. Verify that the Scan tool is connected.
  2. The engine is idling.
  3. With J 39200 connected to ground, probe the PCM harness connector Boost signal circuit.

Does the J 39200 display a boost pressure less than or equal to the specified value?

40 kPa

Go to Step 3

Go to Step 5

3

  1. Turn the ignition OFF.
  2. Disconnect the Boost sensor electrical connector.
  3. Jumper the Boost sensor 5 volt reference to the Boost sensor signal circuit at the harness.
  4. Turn the ignition ON.

Does the scan tool display a Boost Pressure greater than or equal to the specified value?

202 kPa

Go to Step 6

Go to Step 4

4

  1. Turn the ignition OFF.
  2. The boost sensor is still disconnected.
  3. Remove the jumper wire.
  4. Jumper the Boost sensor signal circuit at the harness with a test light connected to B+.
  5. Turn the ignition ON.

Does the scan tool display a Boost Pressure greater than or equal to the specified value?

202 kPa

Go to Step 8

Go to Step 7

5

The DTC is intermittent. If no additional DTCs are stored, refer to Diagnostic Aids. If any additional DTCs are stored, refer to those table(s) first.

Are there any additional DTCs stored?

--

Go to the Applicable DTC Table

Go to Diagnostic Aids

6

  1. Check for a poor connection at the Boost sensor.
  2. If a problem is found, repair the problem as necessary.

Was a problem found?

--

Go to Step 13

Go to Step 10

7

  1. Check for an open or a short to ground in the Boost sensor signal circuit.
  2. If a problem is found, repair the problem as necessary.

Was a problem found?

--

Go to Step 13

Go to Step 11

8

  1. Check for an open in the Boost sensor 5 volt reference circuit.
  2. If a problem is found, repair the problem as necessary.

Was a problem found?

--

Go to Step 13

Go to Step 9

9

  1. Check for a short to ground in the Boost sensor 5 volt reference circuit.
  2. If a problem is found, repair the problem as necessary.

Was a problem found?

--

Go to Step 13

Go to Step 12

10

Replace the Boost sensor. Refer to Boost Sensor (Diesel) .

Is the action complete?

--

Go to Step 13

--

11

  1. Check the terminal connectors at the PCM for a poor connection.
  2. If a problem is found, repair the problem as necessary.

Was a problem found?

--

Go to Step 13

Go to Step 12

12

Replace the PCM.

Important: If the PCM is malfunctioning, the new PCM must be programmed. Refer to Powertrain Control Module Replacement/Programming .

Is the action complete?

--

Go to Step 13

--

13

  1. Use the Scan Tool in order to select DTC, Clear Info.
  2. Start the engine.
  3. Allow the engine to idle at the normal operating temperature.
  4. Select DTC, Specific, then enter the DTC number which was set.
  5. Operate the vehicle within the conditions for setting this DTC as specified in the supporting text.

Does the Scan Tool indicate that this diagnostic Ran and Passed?

--

Go to Step 14

Go to Step 2

14

Use the Scan Tool in order to select Capture Info, Review Info.

Are there any DTCs displayed that have not been diagnosed?

--

Go to the Applicable DTC Table

System OK