GM Service Manual Online
For 1990-2009 cars only

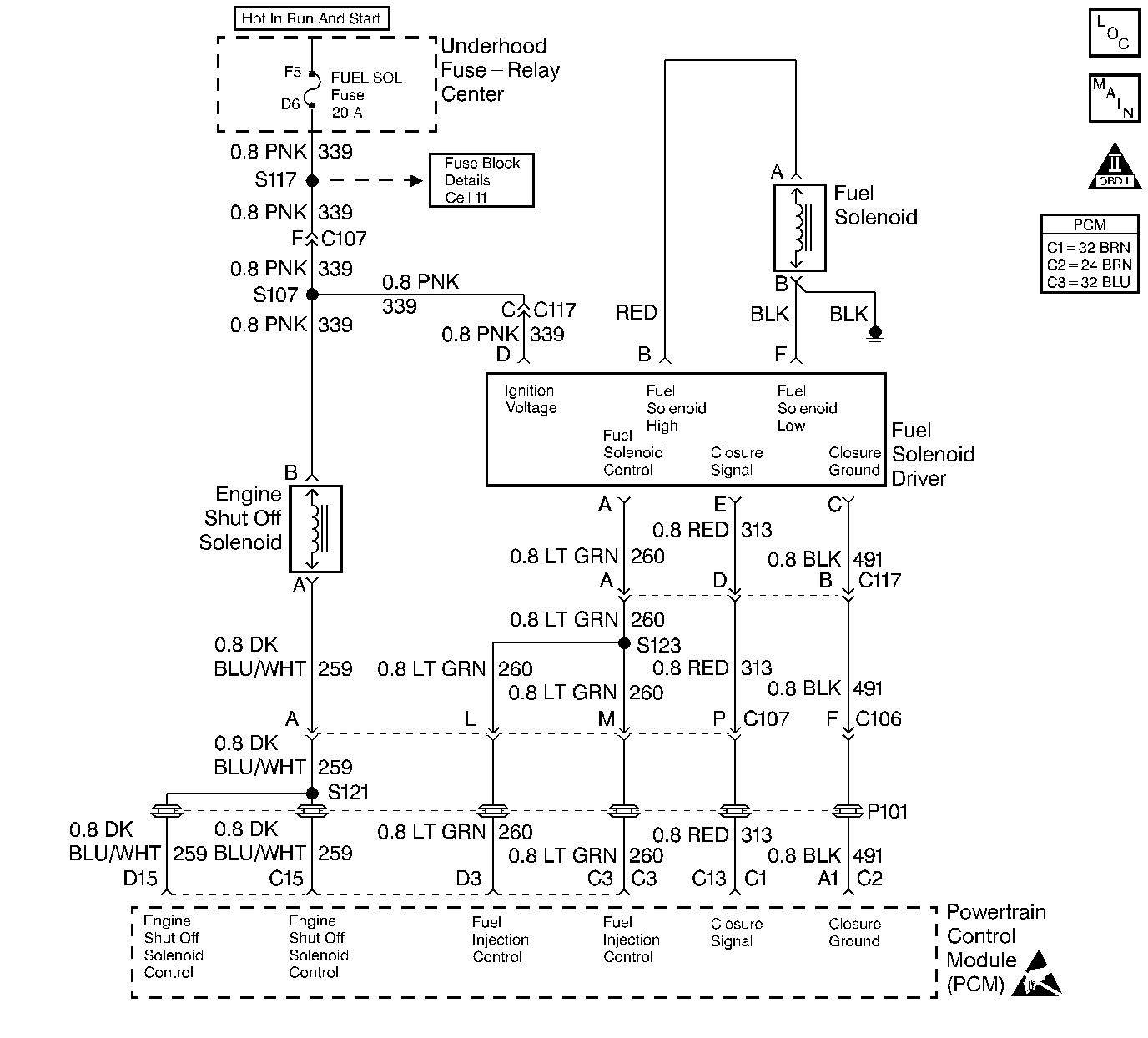
Object Number: 52972  Size: LF
Engine Controls Components
Fuel Controls
OBD II Symbol Description Notice
Handling ESD Sensitive Parts Notice

Circuit Description

The injection pump delivers the fuel to the individual cylinders by opening and closing a solenoid control fuel valve. The PCM monitors the amount of time it takes for the fuel solenoid valve to physically close after commanded to close. The closure time out of range is seen as a fault. This response time is measured in milliseconds. This is a type D DTC.

Conditions for Setting the DTC

    • The battery voltage is greater than 10 volts and less than 16 volts.
    • The engine coolant temperature is greater than -1°C (34°F).
    • The ENGINE SPEED is greater than 506 RPM.
    • The requested fuel rate is greater than 0.0 mm.
    • The Inj. Pump Closure Time is less than 0.75 ms.

Action Taken When the DTC Sets

Possible poor performance or no start

Conditions for Clearing the MIL/DTC

    • A History DTC will clear after forty consecutive warm-up cycles during which the diagnostic does not fail (the coolant temperature has risen 5°C (40°F) from the start up coolant temperature and the engine coolant temperature exceeds 71°C (160°F) during that same ignition cycle).
    • Use of a Scan tool will clear the DTC codes.

Diagnostic Aids

If DTC P1216 is set with any of the other DTCs, diagnose those DTCs first. If the vehicle is running close to the DTC setting closure time, the vehicle should be checked during the cold start ups and during hot conditions.

An intermittent may be caused by the following:

    • Poor connections
    • Rubbed through wire insulation
    • Broken wire inside the insulation

Test Description

The number(s) below refer to the Step number(s) on the Diagnostic Table.

  1. This Step will determine if the ground circuit is open which causes the vehicle not to start.

  2. This Step will determine if the signal circuit is open or an injection pump (fuel solenoid) is malfunctioning.

Step

Action

Value(s)

Yes

No

1

Important: Before clearing the DTCs, use the Scan Tool Capture Info in order to record the Freeze Frame and the failure records for reference, as the data will be lost when the Clear Info function is used.

Was the Powertrain On-Board Diagnostic (OBD) System Check performed?

--

Go to Step 2

Go to Powertrain On Board Diagnostic (OBD) System Check

2

Is DTC P0219 set?

--

Go to DTC P0219 Engine Overspeed

Go to Step 3

3

Will the engine start?

--

Go to Step 4

Go to Step 7

4

  1. The engine is at the normal operating temperature.
  2. Observe the Inj. Pump Closure Time on the Scan Tool.

Is the Scan Tool display less than or equal to the specified value?

0.75 ms

Go to Step 5

Go to Step 6

5

  1. The engine is running.
  2. Again, observe the Inj. Pump Closure Time on the Scan Tool.

Is the Inj. Pump Closure Time display less than or equal to the specified value?

0.1 ms

Go to Step 8

Go to Step 10

6

The DTC is intermittent. If no additional DTCs are stored, refer to Diagnostic Aids. If any additional DTCs were stored, refer to those applicable DTC table(s) first.

Are there any additional DTCs stored?

--

Go to the Applicable DTC Table

--

7

  1. Check the Closure ground circuit for an open.
  2. If the Closure ground circuit is open, repair as necessary.

Was a repair performed?

--

Go to Step 12

Go to Step 10

8

  1. Check the Closure signal circuit for an open or a short to ground and check connections at the driver.
  2. If a problem is found, repair the problem as necessary.

Was a repair performed?

--

Go to Step 12

Go to Step 9

9

Check the Closure signal circuit for a poor connection at the PCM and replace the terminal if necessary.

Did the terminal require a replacement?

--

Go to Step 12

Go to Step 11

10

Replace the Injection pump. Refer to Fuel Injection Pump Replacement .

Important:  If the injection pump is malfunctioning, the new injection pump must be timed. Refer to Checking/Adjust Injection Timing .

Is the action complete?

--

Go to Step 12

--

11

Replace the PCM.

Important: The new PCM must be programmed. Refer to Powertrain Control Module Replacement/Programming .

Is the action complete?

--

Go to Step 12

 

12

  1. Use the Scan Tool in order to select DTC, Clear Info.
  2. Start the engine.
  3. Allow the engine to idle at the normal operating temperature.
  4. Select DTC, Specific, then enter the DTC number which was set.
  5. Operate the vehicle until the Scan Tool indicates that the diagnostic Ran.

Does the Scan Tool indicate that this diagnostic Passed?

--

Go to Step 13

Go to Step 2

13

Use the Scan Tool in order to select Capture Info, Review Info.

Are there any DTCs displayed that have not been diagnosed?

--

Go to the Applicable DTC Table

System OK