GM Service Manual Online
For 1990-2009 cars only
Makes
🢒
Chevrolet
🢒
2000
🢒
Chevy K Pickup - 4WD
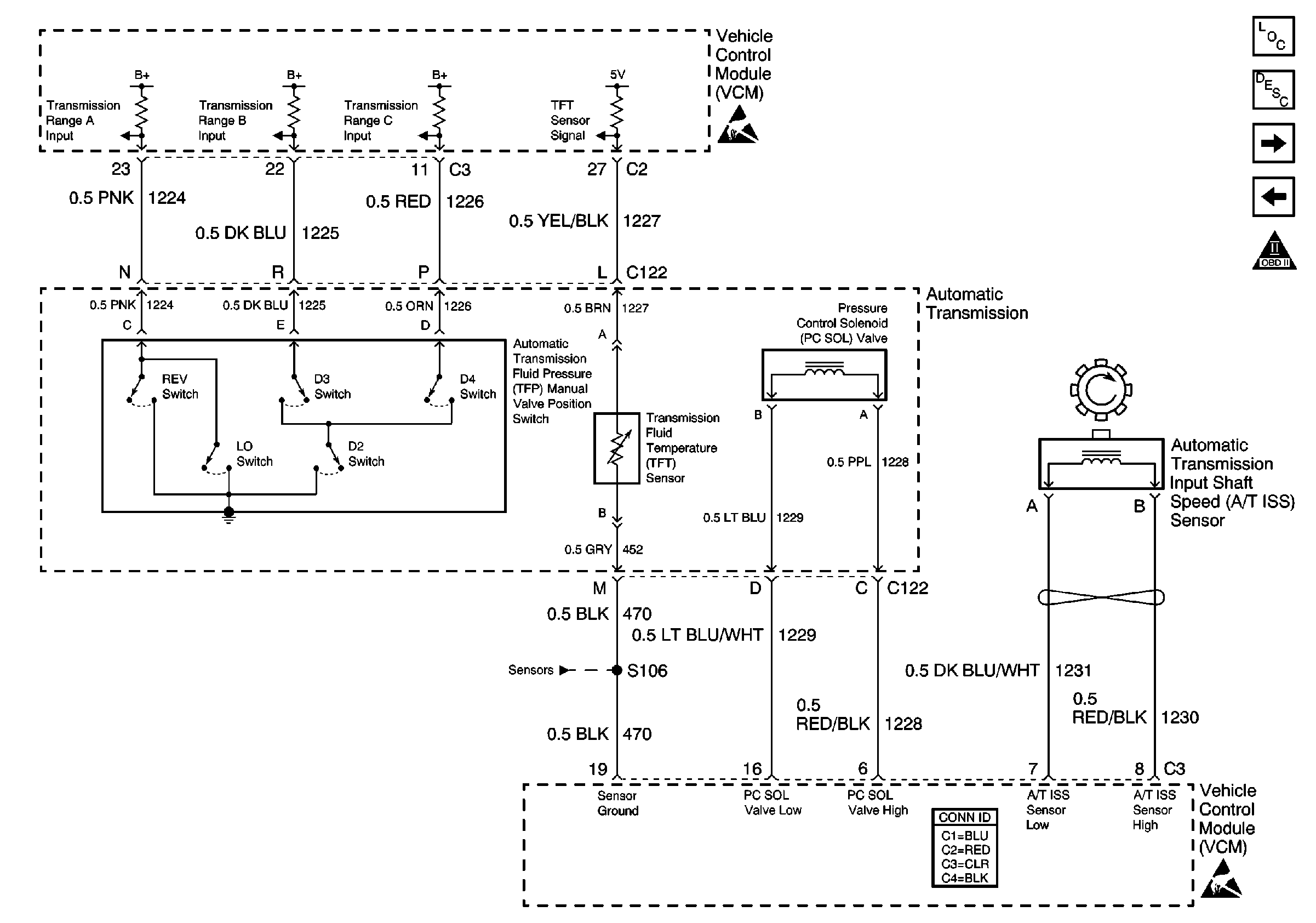
🢒 A/T Controls-Internal Switches. TFT, PC Solenoid Valve, and TISS
A/T Controls-Internal Switches. TFT, PC Solenoid Valve, and TISS
A/T Controls--Internal Switches. TFT, PC Solenoid Valve, and TISS
Engine Controls Components
Electronic Component Description
A/C Compressor Control
A/T Controls-Shift Solenoids, TCC/Stoplamp Switch
OBD II Symbol Description Notice
Handling ESD Sensitive Parts Notice
Engine Data Sensors
Handling ESD Sensitive Parts Notice