GM Service Manual Online
For 1990-2009 cars only
Makes
🢒
Chevrolet
🢒
2000
🢒
Chevy K Pickup - 4WD
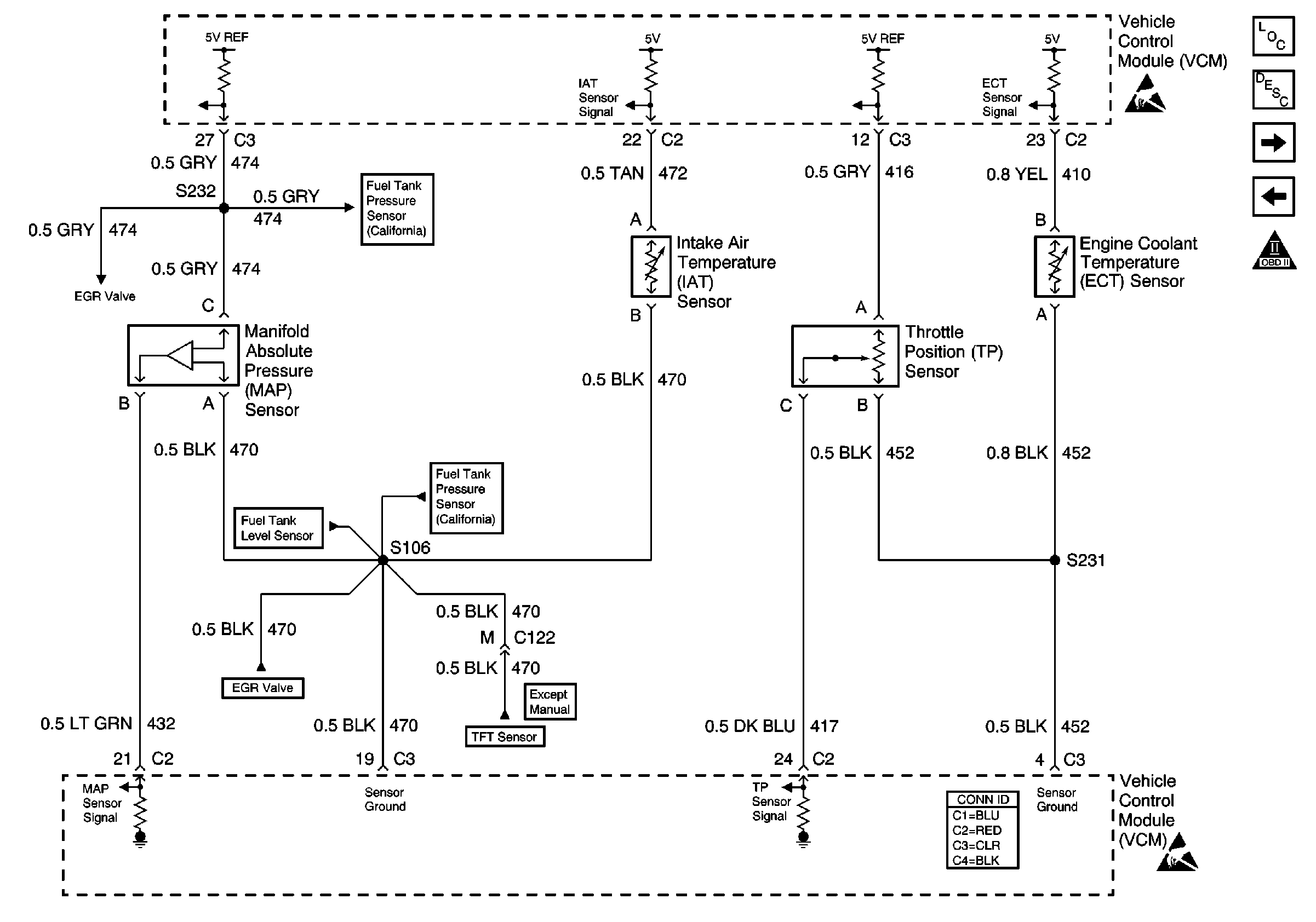
🢒 Engine Data Sensors
Engine Data Sensors
Engine Data Sensors
Engine Controls Components
Information Sensors/Switches Description
Heated Oxygen Sensors, Federal Emissions (NF2)
Fuel Injector Controls
OBD II Symbol Description Notice
Handling ESD Sensitive Parts Notice
Handling ESD Sensitive Parts Notice
EVAP and EGR Controls, Fuel Tank Pressure Sensor
EVAP and EGR Controls, Fuel Tank Pressure Sensor
EVAP and EGR Controls, Fuel Tank Pressure Sensor
EVAP and EGR Controls, Fuel Tank Pressure Sensor
Fuel Pump Control-Single Tank
A/T Controls-Internal Switches. TFT, PC Solenoid Valve, and TISS