GM Service Manual Online
For 1990-2009 cars only
Makes
🢒
Chevrolet
🢒
2000
🢒
Chevy K Pickup - 4WD
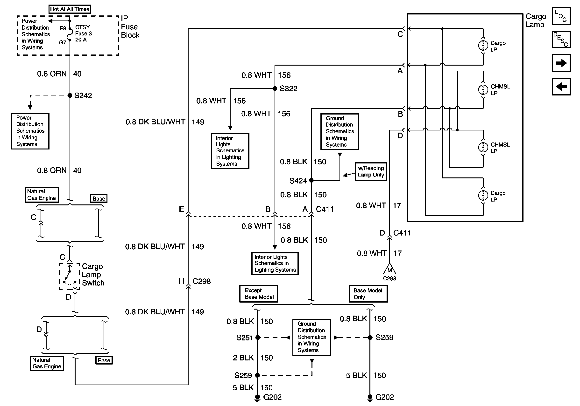
🢒 CTSY Fuse 3, Cargo Lamp (Pickup Only)
CTSY Fuse 3, Cargo Lamp (Pickup Only)
CTSY Fuse 3, Cargo Lamp (Pickup Only)
Lighting Systems Components
Exterior Lights Circuit Description
Trailer Tow
AUX Fuse 22, Center High Mount Stop Lamp
T CASE, and CTSY Fuses (1 of 2)
T CASE, and CTSY Fuses (1 of 2)
Rear Dome and Reading Lamps, Door Courtesy Lamps (Utility/Crew Cab w/ Auxiliary Lighting)
G202 (2 of 4)
STOP/HAZ Fuse 1, Turn/Hazard Switch, Turn/Hazard Flasher
Trailer Tow