GM Service Manual Online
For 1990-2009 cars only
Makes
🢒
Chevrolet
🢒
2000
🢒
Chevy K Pickup - 4WD
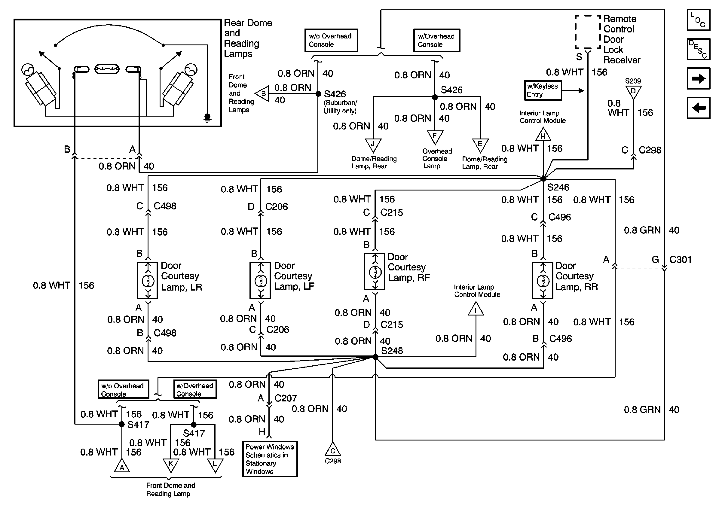
🢒 Rear Dome and Reading Lamps, Door Courtesy Lamps (Utility/Crew Cab w/ Auxiliary Lighting)
Rear Dome and Reading Lamps, Door Courtesy Lamps (Utility/Crew Cab w/ Auxiliary Lighting)
Rear Dome and Reading Lamps, Door Courtesy Lamps (Utility/Crew Cab w/ Auxiliary Lighting)
Lighting Systems Components
Interior Lights Circuit Description Execpt Luxury
Overhead Console Reading Lamps, Dome/Reading Lamps
GAUGES Fuse 4, Interior Lamp Control Module
CTSY Fuse 3, Door Jamb Switches
GAUGES Fuse 4, Interior Lamp Control Module
Overhead Console Reading Lamps, Dome/Reading Lamps
Overhead Console Reading Lamps, Dome/Reading Lamps
CTSY Fuse 3, Door Jamb Switches
CTSY Fuse 3, Door Jamb Switches
Overhead Console Reading Lamps, Dome/Reading Lamps
Overhead Console Reading Lamps, Dome/Reading Lamps
CTSY Fuse 3, Door Jamb Switches
GAUGES Fuse 4, Interior Lamp Control Module