GM Service Manual Online
For 1990-2009 cars only
Makes
🢒
Chevrolet
🢒
2000
🢒
Chevy K Pickup - 4WD
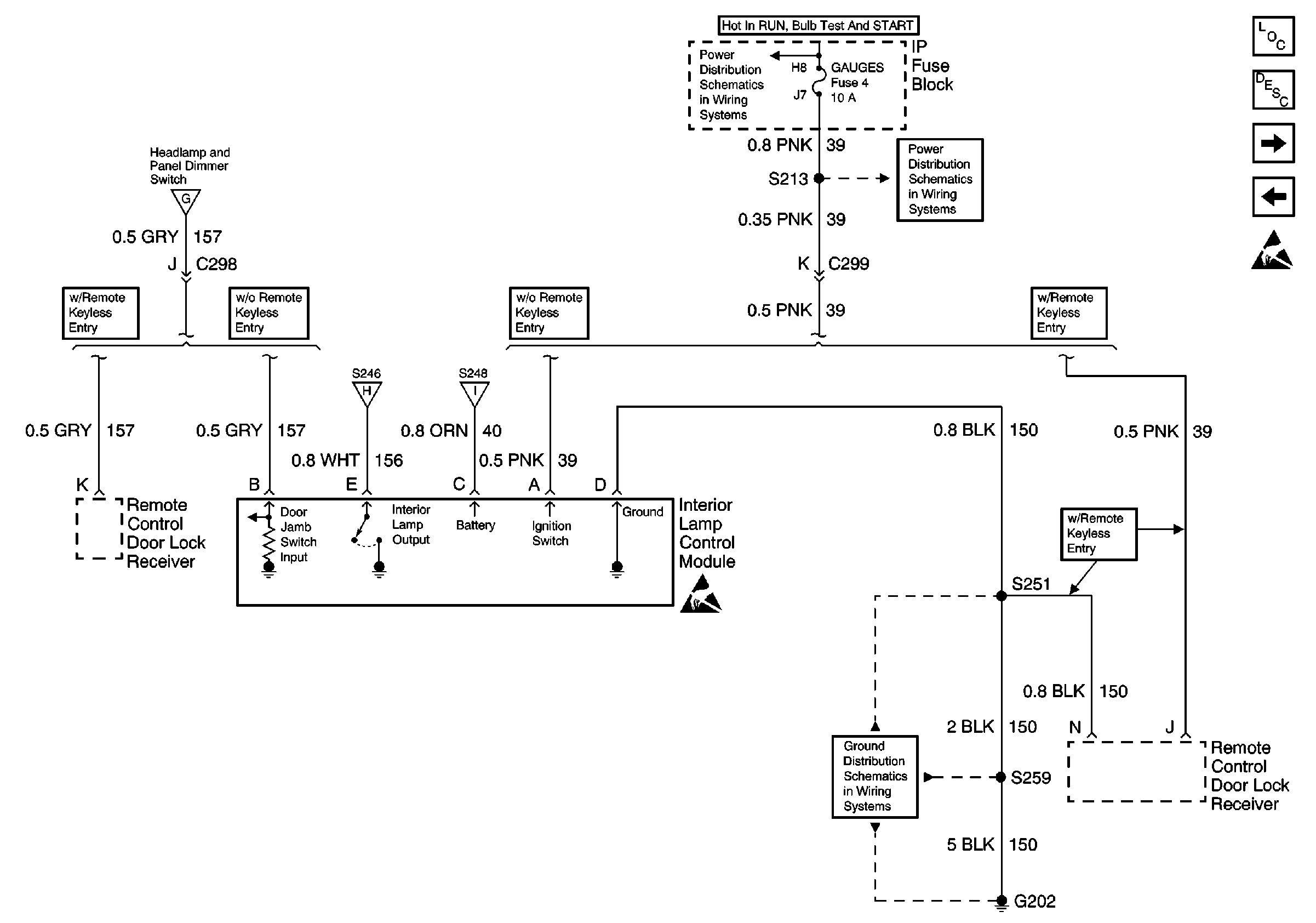
🢒 GAUGES Fuse 4, Interior Lamp Control Module
GAUGES Fuse 4, Interior Lamp Control Module
GAUGES Fuse 4, Interior Lamp Control Module
Lighting Systems Components
Interior Lights Circuit Description Execpt Luxury
Rear Dome and Reading Lamps, Door Courtesy Lamps (Utility/Crew Cab w/ Auxiliary Lighting)
CTSY Fuse 3, Door Jamb Switches
Handling Electrostatic Discharge Sensitive Parts Notice
GAUGES Fuse
GAUGES Fuse
G202 (2 of 4)
Rear Dome and Reading Lamps, Door Courtesy Lamps (Utility/Crew Cab w/ Auxiliary Lighting)
Rear Dome and Reading Lamps, Door Courtesy Lamps (Utility/Crew Cab w/ Auxiliary Lighting)
CTSY Fuse 3, Door Jamb Switches