GM Service Manual Online
For 1990-2009 cars only
Makes
🢒
Chevrolet
🢒
2005
🢒
Chevy K Silverado - 4WD
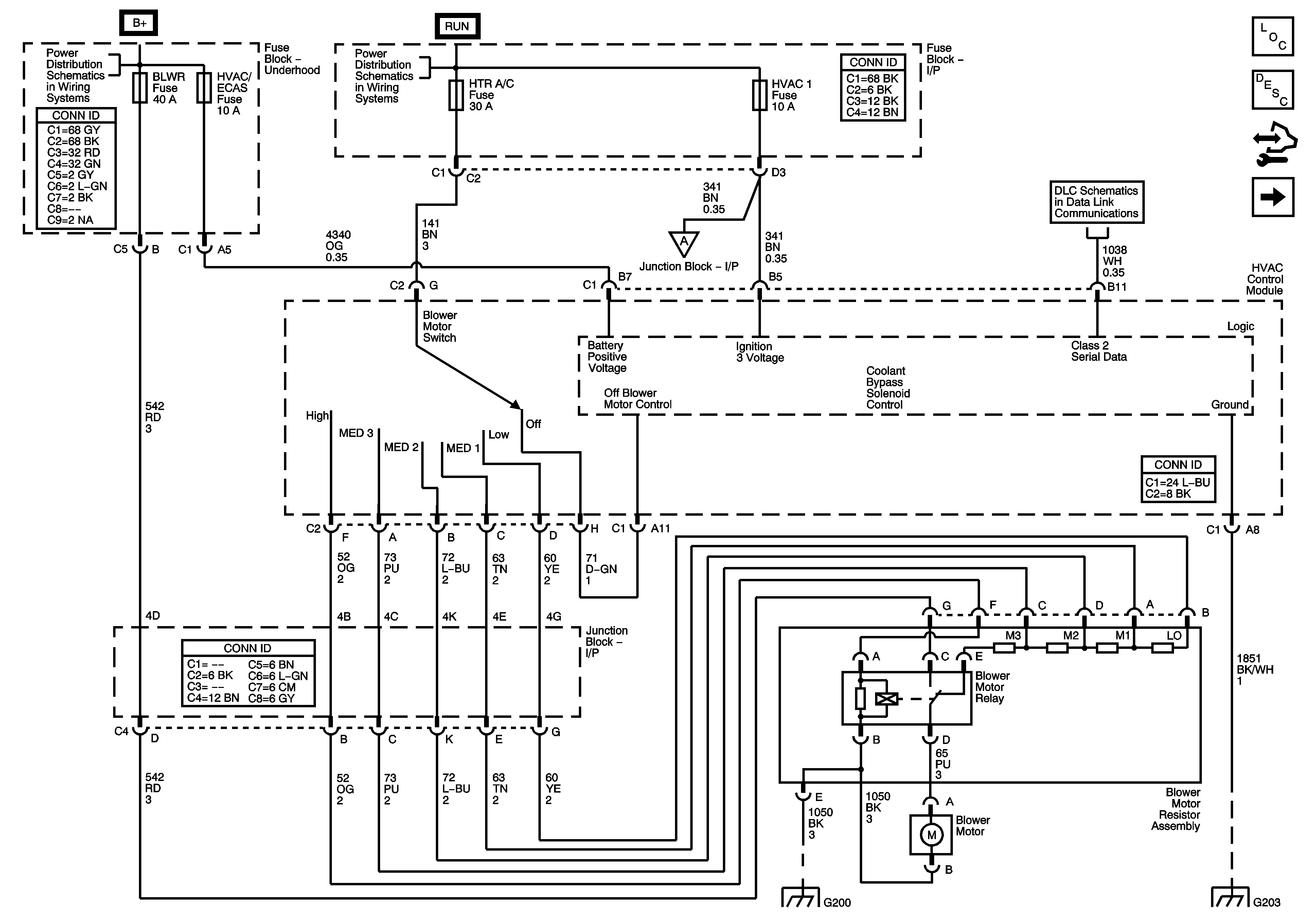
🢒 Power, Ground, Serial Data and Blower Motor Control
Power, Ground, Serial Data and Blower Motor Control
Power, Ground, Serial Data and Blower Motor Control
Master Electrical Component List
Air Temperature Description and Operation
Control Module References
Mode and Recirculation Actuators
B+ Bar Bus
Ignition Switch - START, RUN, and ACC/RUN/START Bus Bars and IGN A and CRANK Fuses
Mode and Recirculation Actuators
Power, Ground, DLC and Splice Pack SP 205
G115 and G200 - 1 of 2
G203 - 1 of 2