GM Service Manual Online
For 1990-2009 cars only
Makes
🢒
Chevrolet
🢒
2005
🢒
Chevy K Silverado - 4WD
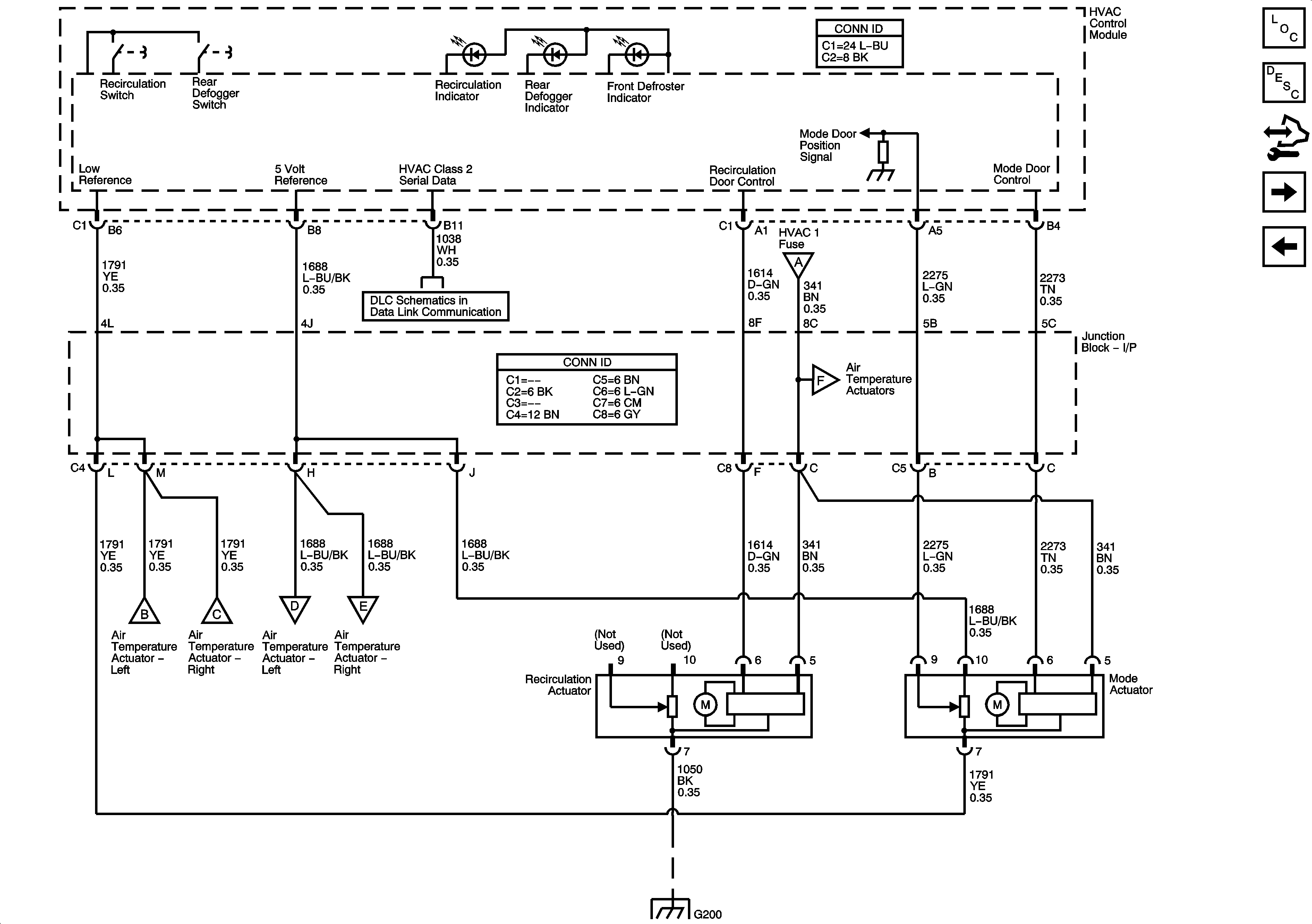
🢒 Mode and Recirculation Actuators
Mode and Recirculation Actuators
Mode and Recirculation Actuators
Master Electrical Component List
Air Temperature Description and Operation
Control Module References
Air Temperature Actuators Left and Right
Power, Ground, Serial Data and Blower Motor Control
Power, Ground, DLC and Splice Pack SP 205
Power, Ground, Serial Data and Blower Motor Control
Air Temperature Actuators Left and Right
Air Temperature Actuators Left and Right
Air Temperature Actuators Left and Right
Air Temperature Actuators Left and Right
Air Temperature Actuators Left and Right
G115 and G200 - 1 of 2