GM Service Manual Online
For 1990-2009 cars only
Makes
🢒
Chevrolet
🢒
2005
🢒
Chevy K Silverado - 4WD
🢒 Switches and Front Door Activators (YE9)
Switches and Front Door Activators (YE9)
Switches and Front Door Actuators (YE9)
Master Electrical Component List
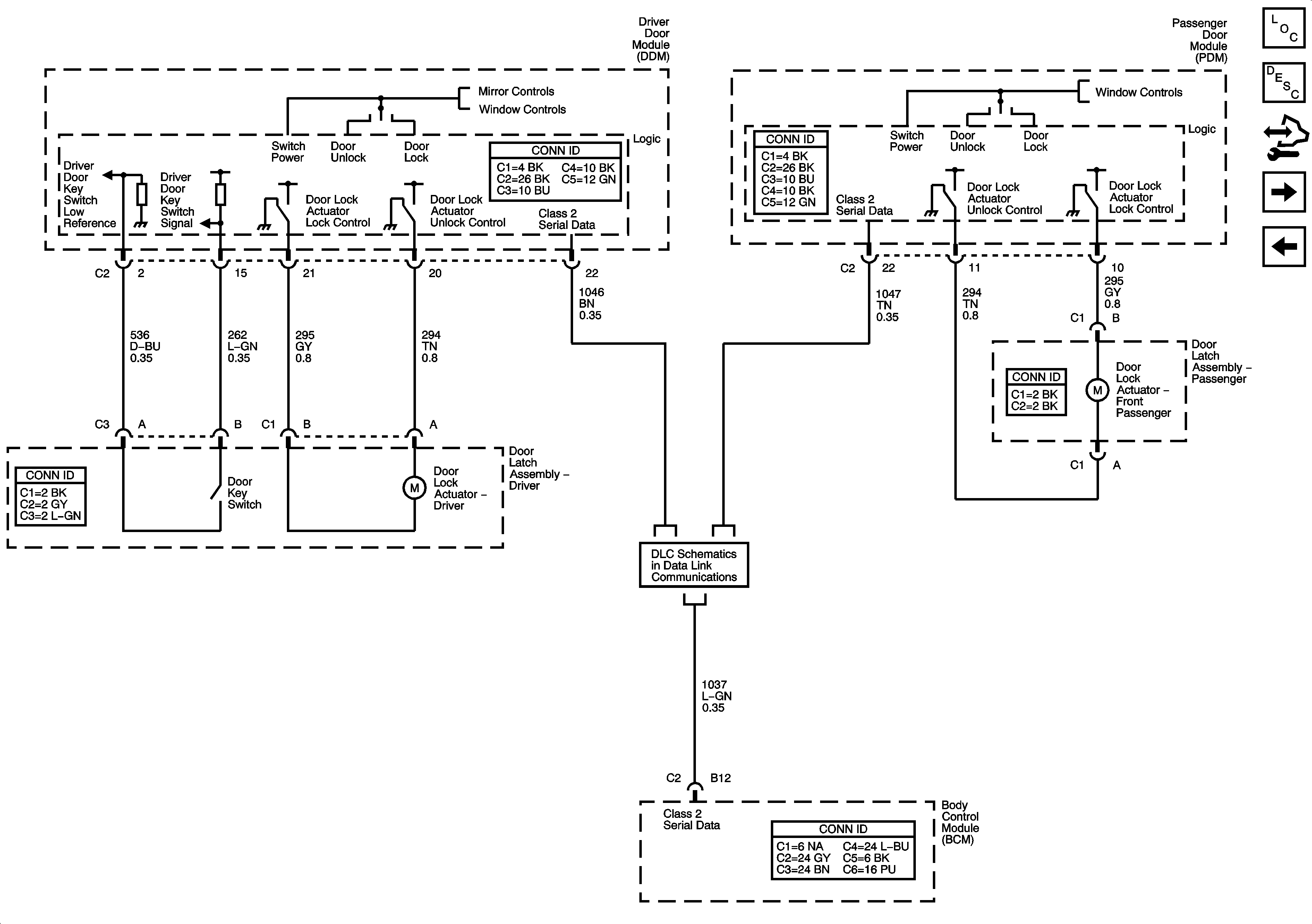
Power Door Locks Description and Operation
Control Module References
Relays and Actuators - Crew Cab (YE9)
Activators (except YE9)
Outside Mirror Schematics
Left Doors
Right Doors
Power, Ground, DLC and Splice Pack SP 205