GM Service Manual Online
For 1990-2009 cars only
Makes
🢒
Chevrolet
🢒
2005
🢒
Chevy K Silverado - 4WD
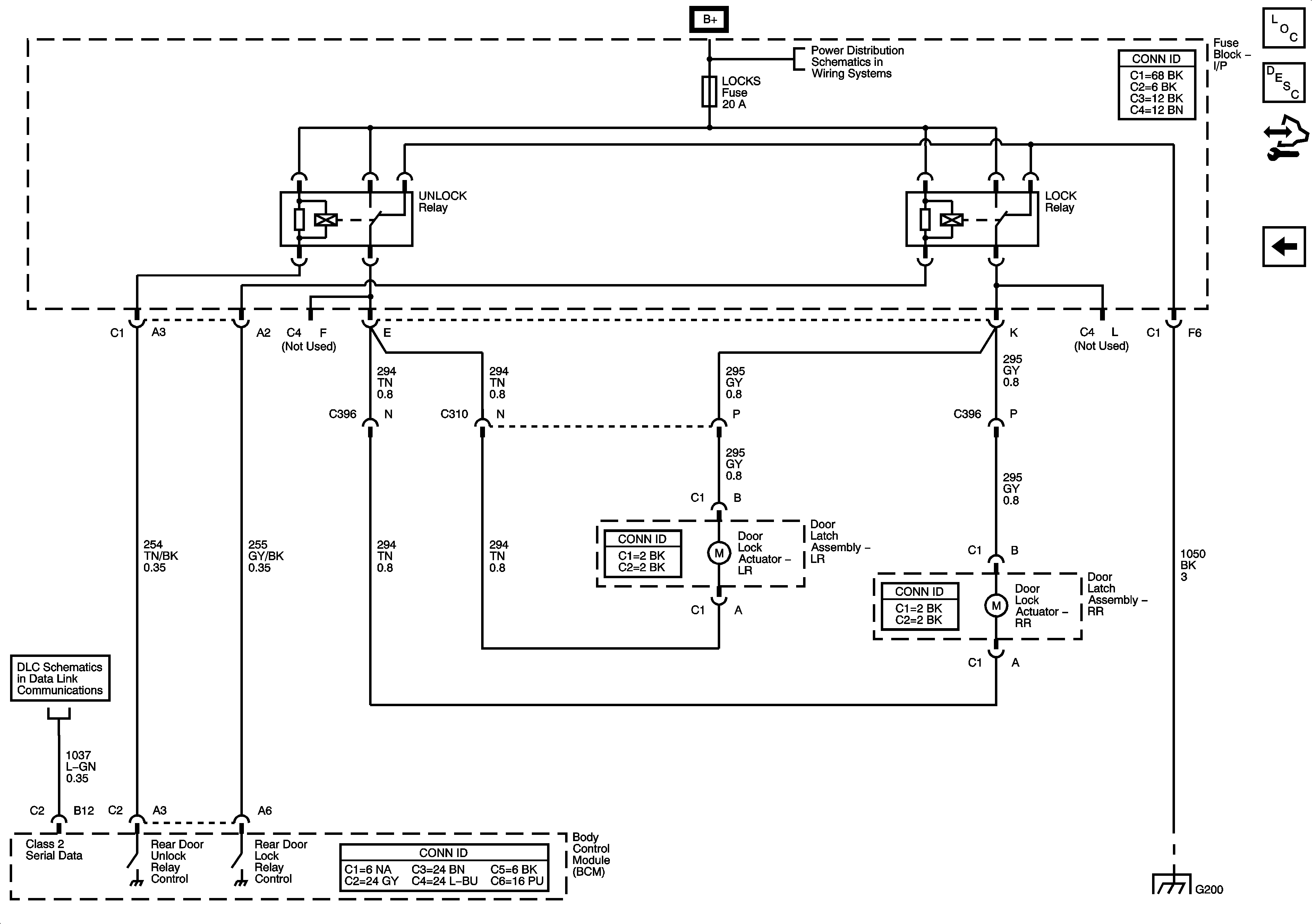
🢒 Relays and Actuators - Crew Cab (YE9)
Relays and Actuators - Crew Cab (YE9)
Relays and Actuators - Crew Cab (YE9)
Master Electrical Component List
Power Door Locks Description and Operation
Control Module References
Switches and Front Door Activators (YE9)
AUX PWR, AUX PWR 2, DDM, ECC, LBEC 2, LOCKS, PCM B, and PDM Fuses
Power, Ground, DLC and Splice Pack SP 205
G115 and G200 - 1 of 2