GM Service Manual Online
For 1990-2009 cars only
Makes
🢒
Chevrolet
🢒
2005
🢒
Chevy K Silverado - 4WD
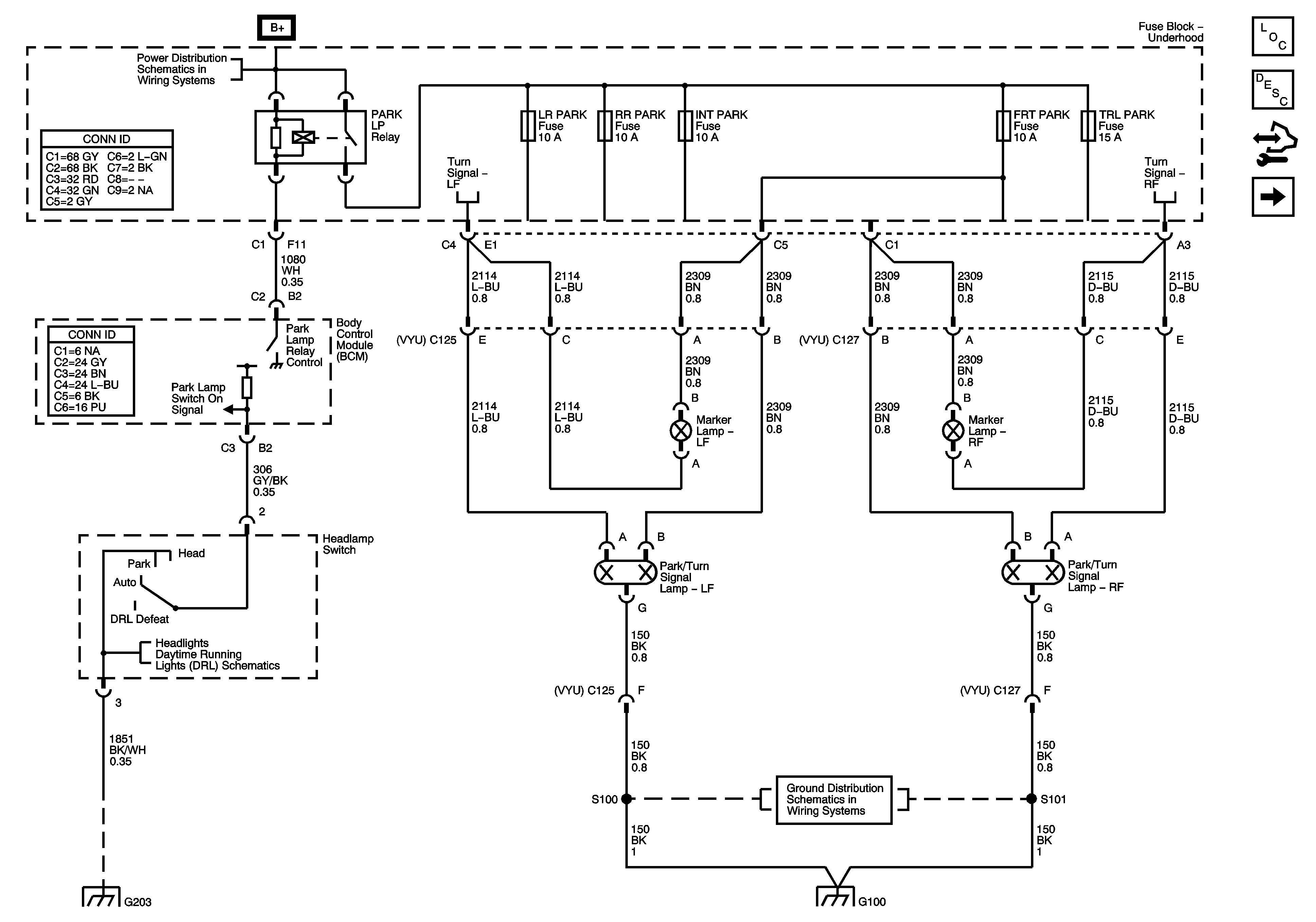
🢒 Park Lamp Relay Control and Front Park Lamps
Park Lamp Relay Control and Front Park Lamps
Park Lamp Relay Control and Front Park Lamps
Master Electrical Component List
Exterior Lighting Systems Description and Operation
Control Module References
Interior Park
B+ Bar Bus
Turn Signals - GMC
Turn Signals - GMC
Headlights/DRL Control
G100, G101, and G102
G203 - 1 of 2
G100, G101, and G102