GM Service Manual Online
For 1990-2009 cars only
Makes
🢒
Chevrolet
🢒
2005
🢒
Chevy K Silverado - 4WD
🢒 Turn Signals - GMC
Turn Signals - GMC
Turn Signals - GMC
Master Electrical Component List
Exterior Lighting Systems Description and Operation
Control Module References
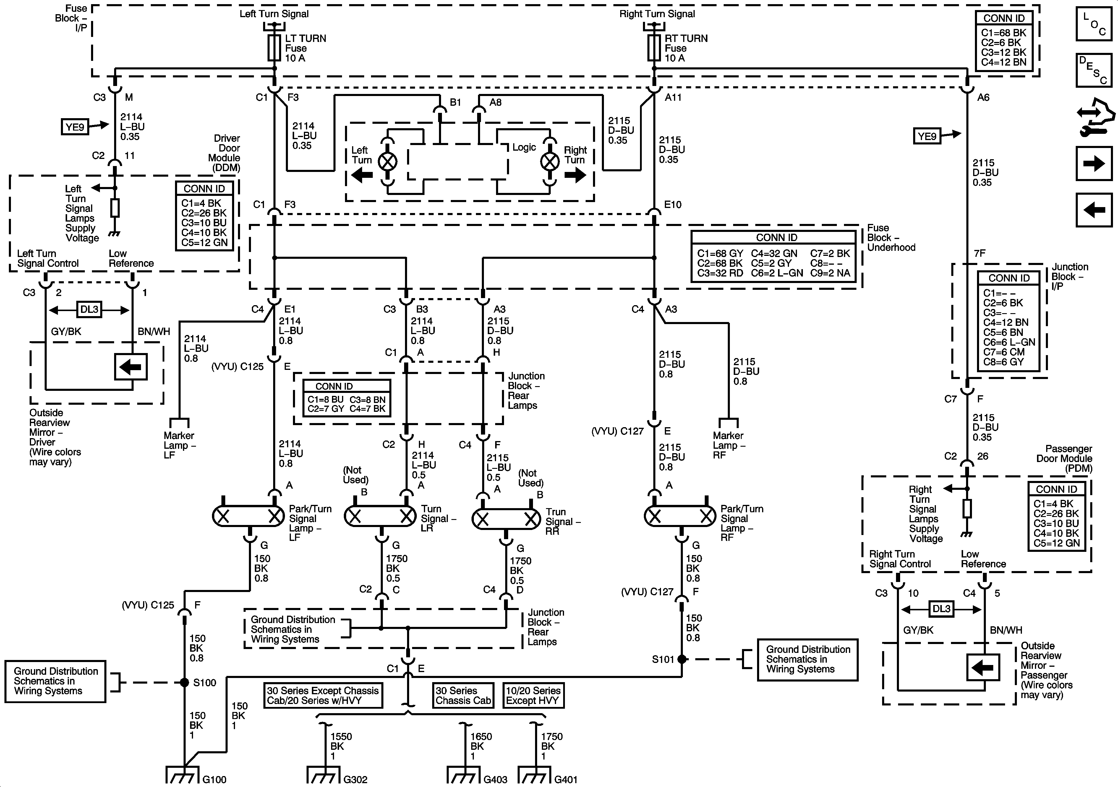
Turn Signals - Chevrolet
Turn Signal/Hazard Switch and Flasher Module
Turn Signal/Hazard Switch and Flasher Module
Turn Signal/Hazard Switch and Flasher Module
Park Lamp Relay Control and Front Park Lamps
Park Lamp Relay Control and Front Park Lamps
G100, G101, and G102
G302
G100, G101, and G102
G100, G101, and G102
G302
G403
G401