GM Service Manual Online
For 1990-2009 cars only
Makes
🢒
Chevrolet
🢒
2005
🢒
Chevy K Silverado - 4WD
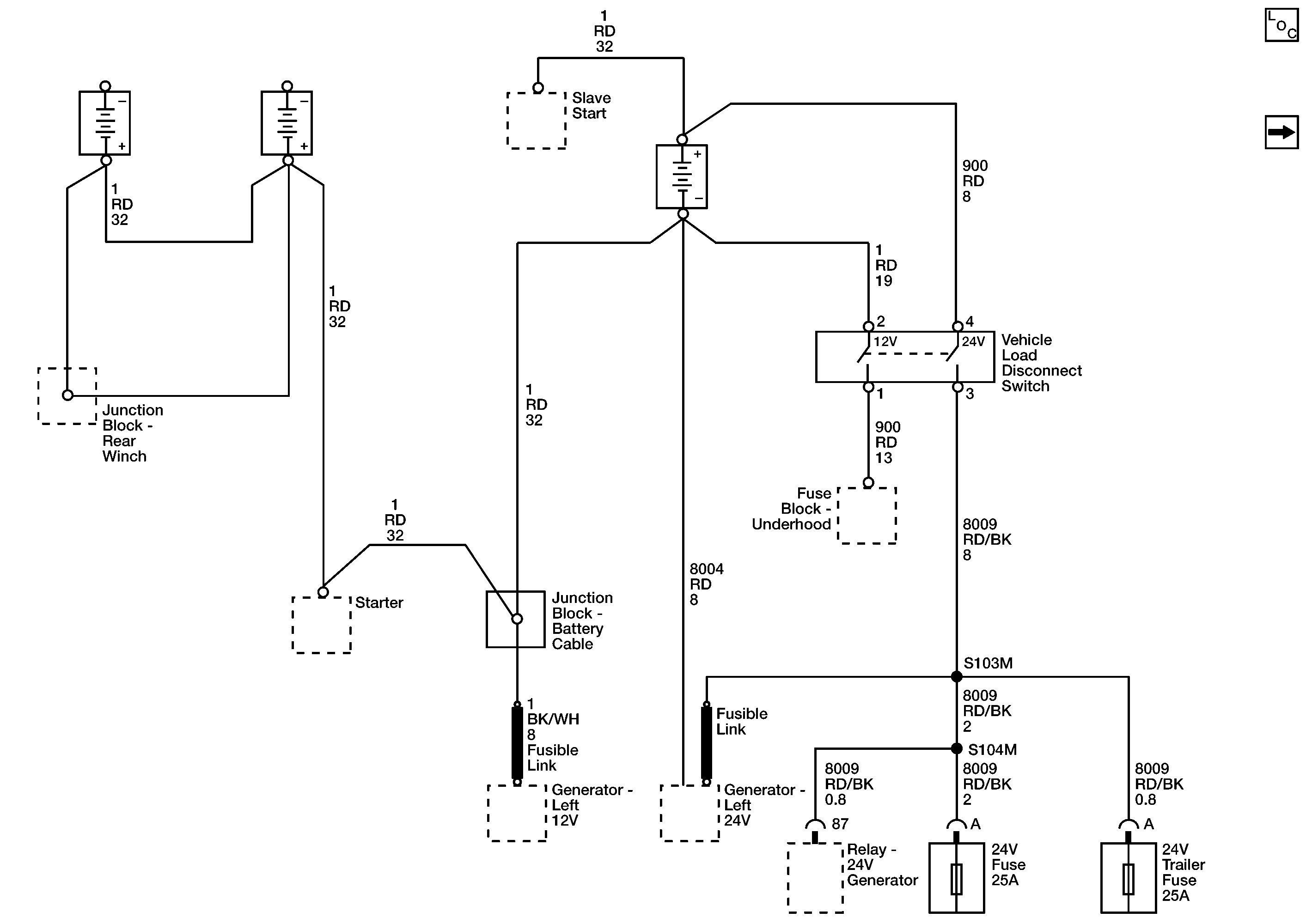
🢒 12V/24V
12V/24V
12V/24V
Master Electrical Component List
24V - Trailer Fuse