GM Service Manual Online
For 1990-2009 cars only
Makes
🢒
Chevrolet
🢒
2005
🢒
Chevy K Silverado - 4WD
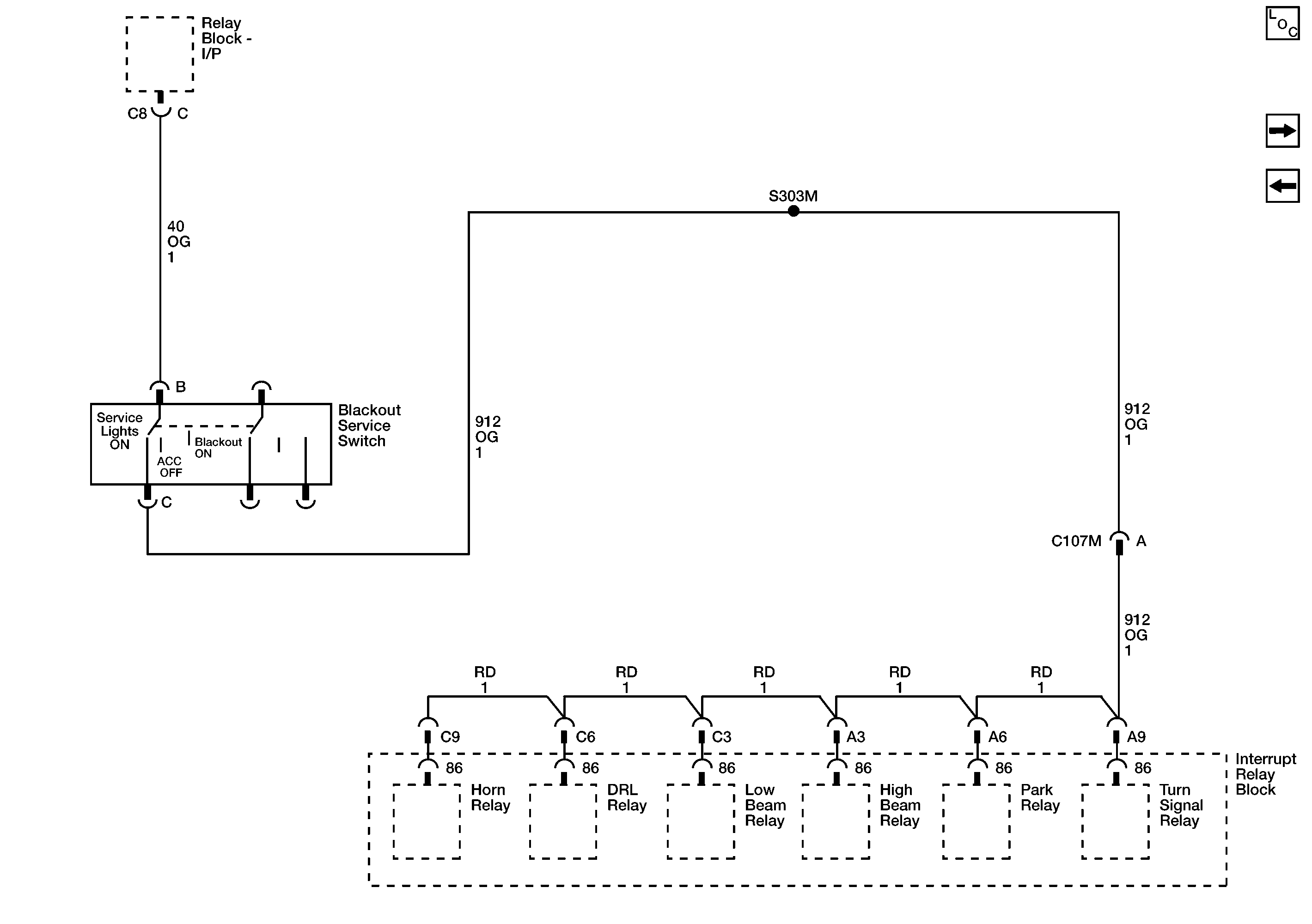
🢒 Relay Block
Relay Block
Relay Block
Master Electrical Component List
G100M, G101M, G102M
24V - Trailer Fuse