GM Service Manual Online
For 1990-2009 cars only
Makes
🢒
Chevrolet
🢒
1998
🢒
Chevy P12 Chassis
🢒
Engine
🢒
Engine Electrical
🢒 Starting and Charging Schematics
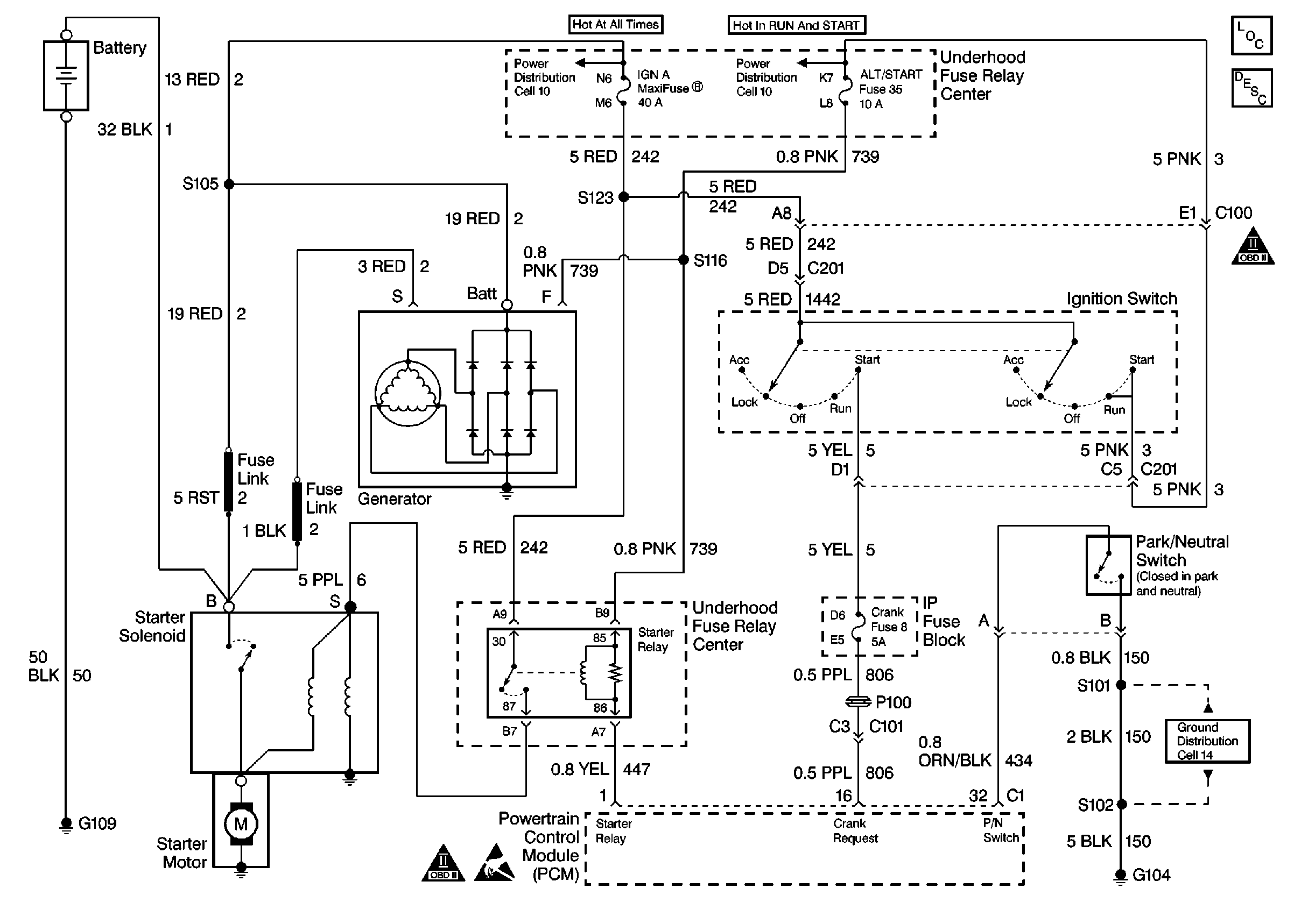
Cell 30: Starting and Charging System
Handling Electrostatic Discharge Sensitive Parts Notice
Cell 14: G104
Cell 10: Battery, Always Hot Primary Fuses
Cell 10: Hot in Run and Start Fuses
OBDII Symbol Description Notice
OBDII Symbol Description Notice
Engine Electrical Components
Charging System Circuit Description