GM Service Manual Online
For 1990-2009 cars only
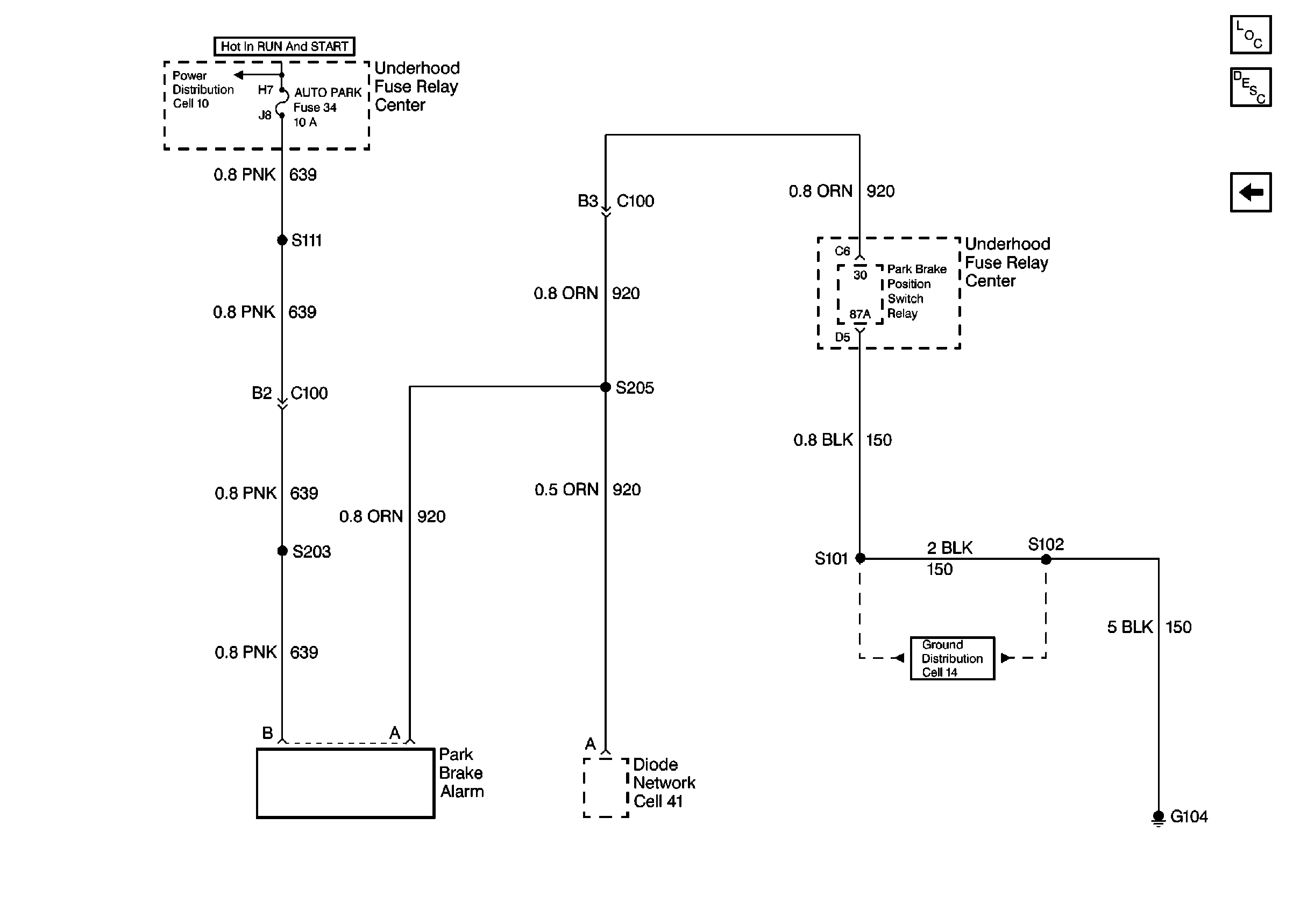
Figure 1:

Cell 46


Object Number: 258725  Size: FS
Cell 10: Hot in Run and Start Fuses
Cell 81: Indicator and Illumination Lamps
Handling Electrostatic Discharge Sensitive Parts Notice
Cell 46
Cell 14: G104
Cell 46
Cell 46
Cell 46
Cell 46
Park Brake System Components
Electric/Auto Park Circuit Description
Cell 46
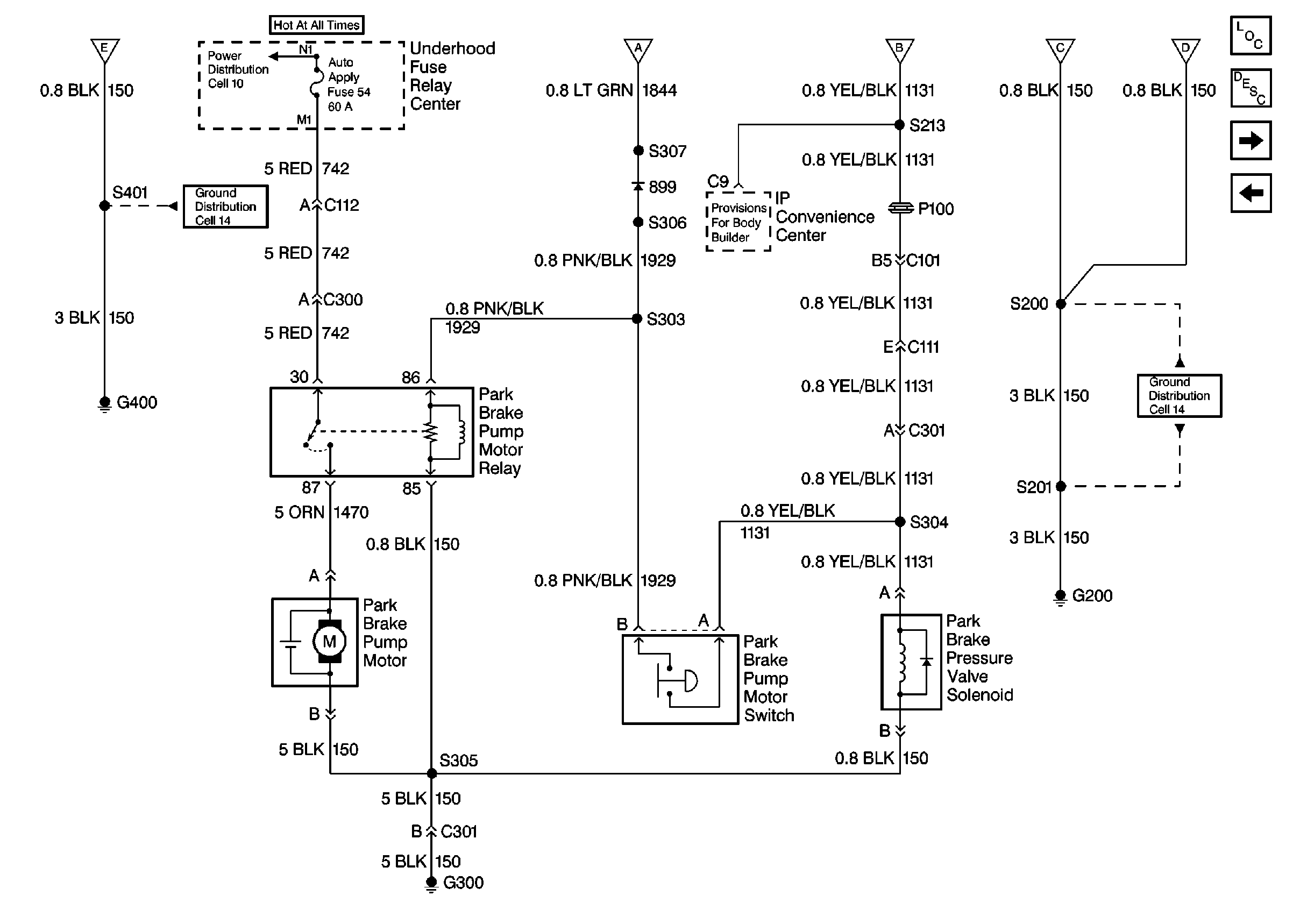
Figure 2:

Cell 46


Object Number: 258727  Size: FS
Cell 46
Cell 46
Cell 46
Cell 46
Cell 46
Cell 10: Battery, Always Hot Primary Fuses
Cell 14: G300 and G400
Cell 14: G200
Park Brake System Components
Electric/Auto Park Circuit Description
Cell 46: Autopark Warning Lamp
Cell 46
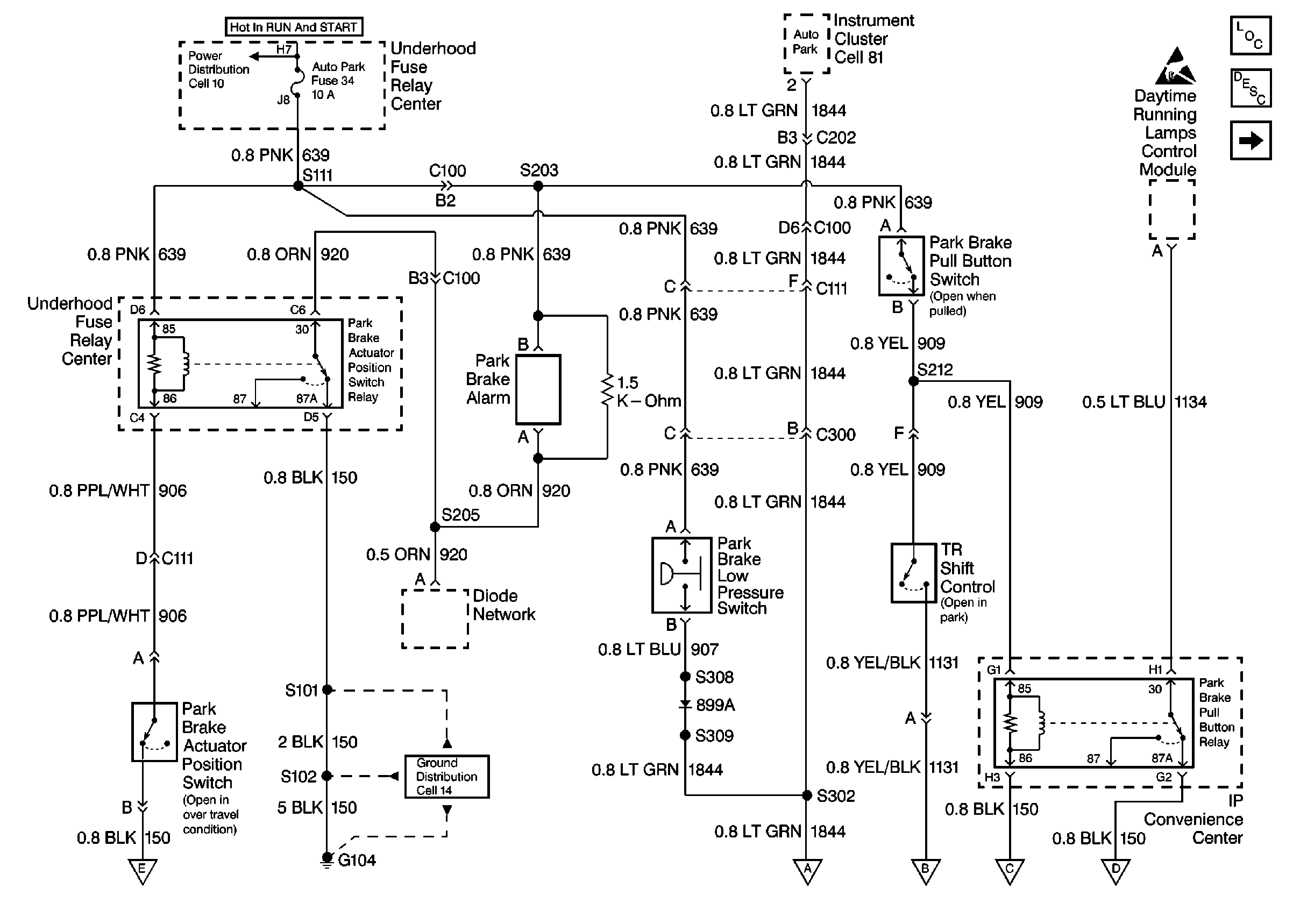
Figure 3:

Cell 46: Autopark Warning Lamp


Object Number: 258728  Size: FS
Cell 81: Indicator and Illumination Lamps
Cell 10: Hot in Run and Start Fuses
Park Brake System Components
Electric/Auto Park Circuit Description
Cell 46: Park Brake Pump Motor Circuit
Cell 46
Cell 14: G102
Cell 18: Cavities A, B, and C
Cell 46
Cell 41: Brake Warning Relays
Figure 4:

Cell 46: Park Brake Pump Motor Circuit


Object Number: 304308  Size: FS
Park Brake System Components
Electric/Auto Park Circuit Description
Cell 76: Park Brake Alarm
Cell 46: Autopark Warning Lamp
Figure 5:

Cell 76: Park Brake Alarm


Object Number: 276558  Size: FS
Cell 10: Hot in Run and Start Fuses
Cell 14: G104
Brake Warning System Schematics
Park Brake System Components
Electric/Auto Park Circuit Description
Cell 46: Park Brake Pump Motor Circuit