GM Service Manual Online
For 1990-2009 cars only
Makes
🢒
Chevrolet
🢒
1998
🢒
Chevy P12 Chassis
🢒
Brakes
🢒
Antilock Brake System
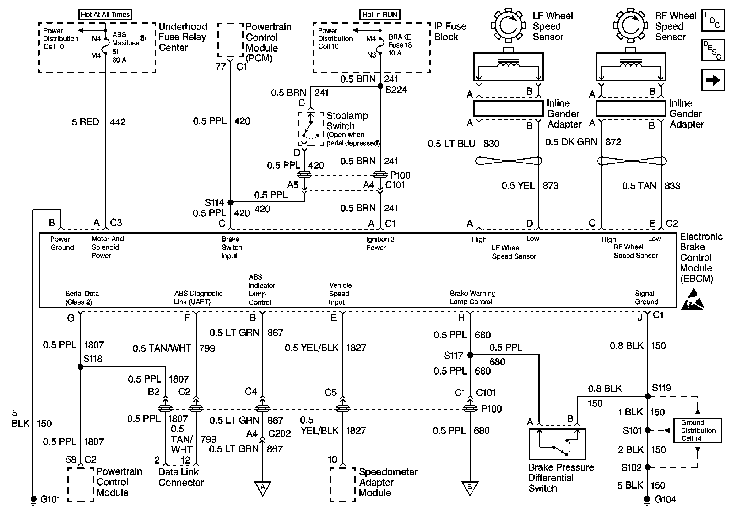
🢒 Antilock Brake System Schematics
Figure
1:
Cell 44
Cell 10: Battery, Always Hot Primary Fuses
Cell 10: Ignition Switch, Switched Fuses
ABS Components
ABS Description
Cell 44: Antilock Brake Warning Circuit
Handling Electrostatic Discharge Sensitive Parts Notice
Cell 44: Antilock Brake Warning Circuit
Cell 44: Antilock Brake Warning Circuit
Cell 14: G104
Figure
2:
Cell 44: Antilock Brake Warning Circuit
Cell 10: Hot in Run and Start Fuses
Cell 44
Cell 11: Gauges, Turn/Backup, and ETM fuses
Cell 44
ABS Components
ABS Description
Cell 44
Handling Electrostatic Discharge Sensitive Parts Notice
Handling Electrostatic Discharge Sensitive Parts Notice
Cell 41: Brake Warning Circuit