GM Service Manual Online
For 1990-2009 cars only
Makes
🢒
Chevrolet
🢒
1998
🢒
Chevy P12 Chassis
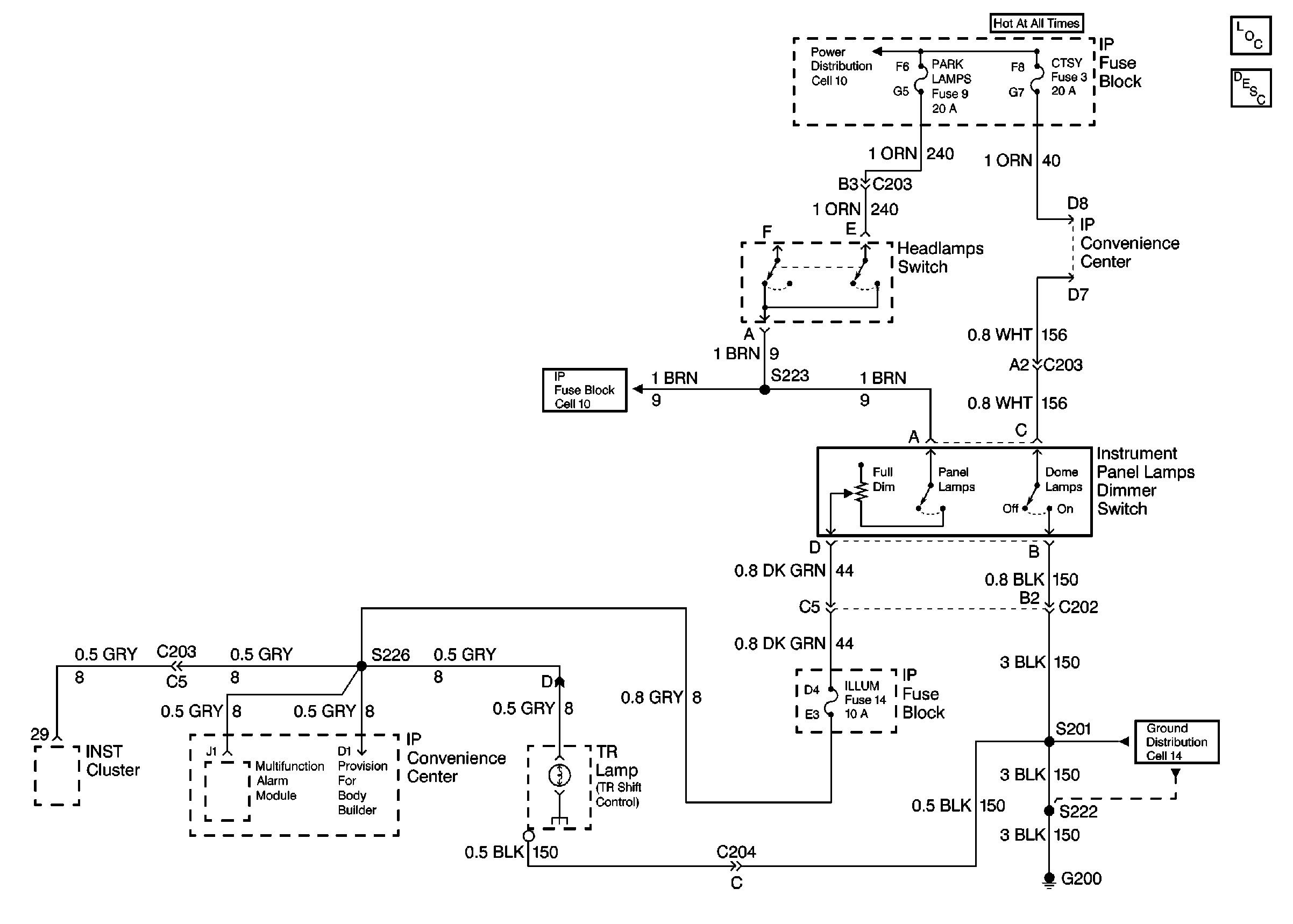
🢒 Cell 117: Interior Lights Dimming Schematics
Cell 117: Interior Lights Dimming Schematics
Cell 117: Interior Lights Dimming Schematics
Cell 10: Always Hot Secondary Fuses
Cell 10: Always Hot Secondary Fuses
Cell 14: G200
Lighting Systems Components
Lighting System Operation