GM Service Manual Online
For 1990-2009 cars only
Makes
🢒
Chevrolet
🢒
1998
🢒
Chevy P12 Chassis
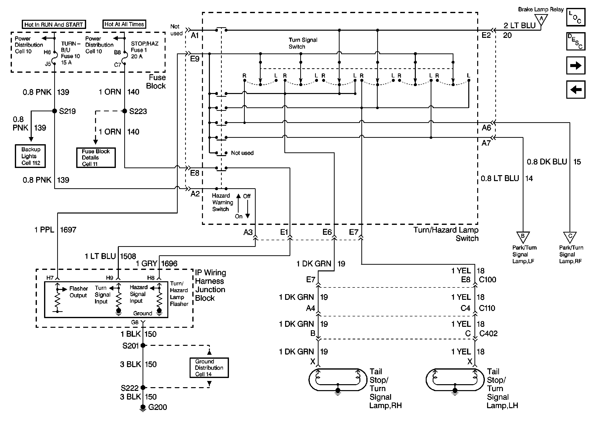
🢒 Cell 110: Turn/Hazard Lamp Switch
Cell 110: Turn/Hazard Lamp Switch
Cell 110: Turn/Hazard Lamp Switch
Lighting Systems Components
Exterior Lights Circuit Description
Cell 110: Rear Lamps
Cell 110: Exterior Lights Fuses
Cell 10: Junction Block
Cell 10: Fuse Block, Headlamp Switch
Cell 110: Exterior Lights Fuses
Cell 102: Headlamps and Headlamps Dimmer Switch
Cell 11: ILLUM, RADIO BATT, CIG LTR, AUX PWR, and STOP HZRD fuses, PWR ACCY 1 CKT BRKR
Cell 110: Forward Lamps
Cell 110: Forward Lamps
Cell 14: G200