GM Service Manual Online
For 1990-2009 cars only
Makes
🢒
Chevrolet
🢒
1998
🢒
Chevy P12 Chassis
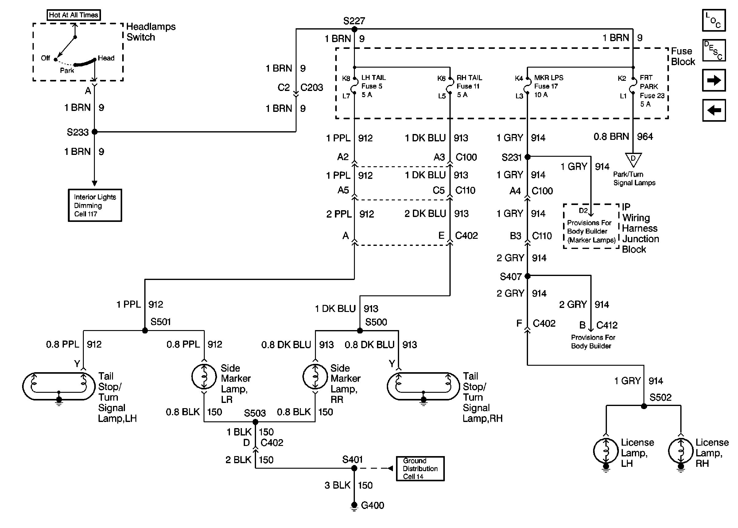
🢒 Cell 110: Rear Lamps
Cell 110: Rear Lamps
Cell 110: Rear Lamps
Lighting Systems Components
Exterior Lights Circuit Description
Cell 110: Forward Lamps
Cell 110: Turn/Hazard Lamp Switch
Cell 117
Cell 110: Forward Lamps
Cell 14: G300 and G400