GM Service Manual Online
For 1990-2009 cars only
Makes
🢒
Chevrolet
🢒
1999
🢒
Chevy P12 Chassis
🢒
Body and Accessories
🢒
Data Link Communications
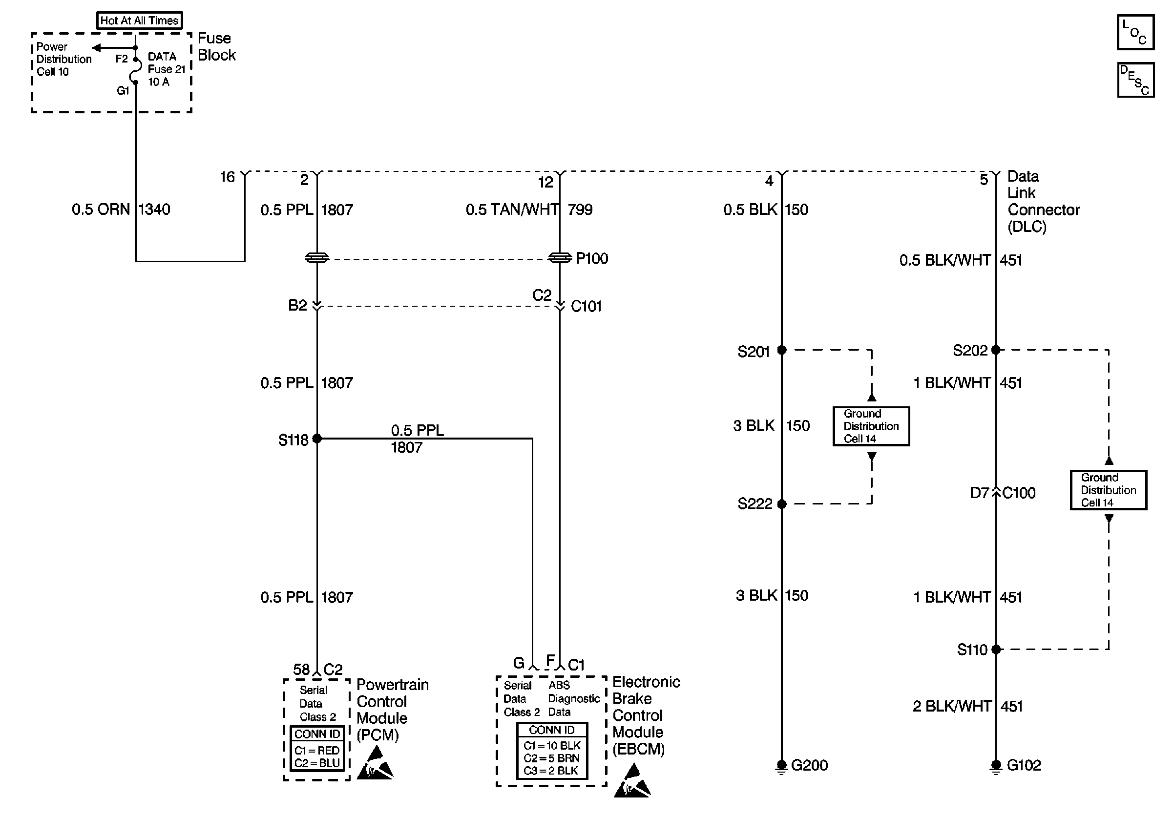
🢒 Data Link Connector Schematics
Cell 50
Data Link Communications Components
Data Link Communications Circuit Description
Cell 10: Fuse Block, Headlamp Switch
Handling ESD Sensitive Parts Notice
Handling ESD Sensitive Parts Notice
Cell 14: G200
Cell 14: G102