GM Service Manual Online
For 1990-2009 cars only
Figure 1:

Cell 14: G105, G106, and G107 [Single Headlamps]


Object Number: 343667  Size: FS
Power and Grounding Components
Cell 14: G105, G106, and G107 [Dual Headlamps]
Figure 2:

Cell 14: G105, G106, and G107 [Dual Headlamps]


Object Number: 343670  Size: FS
Power and Grounding Components
Cell 14: G102
Cell 14: G105, G106, and G107 [Single Headlamps]
Figure 3:

Cell 14: G102


Object Number: 343673  Size: FS
Power and Grounding Components
Cell 14: G200
Cell 14: G105, G106, and G107 [Dual Headlamps]
Handling ESD Sensitive Parts Notice
Handling ESD Sensitive Parts Notice
Handling ESD Sensitive Parts Notice
Handling ESD Sensitive Parts Notice
Figure 4:

Cell 14: G200


Object Number: 343675  Size: FS
Power and Grounding Components
Cell 14: G103
Cell 14: G102
Handling ESD Sensitive Parts Notice
Handling ESD Sensitive Parts Notice
Handling ESD Sensitive Parts Notice
Figure 5:

Cell 14: G103


Object Number: 343680  Size: FS
Power and Grounding Components
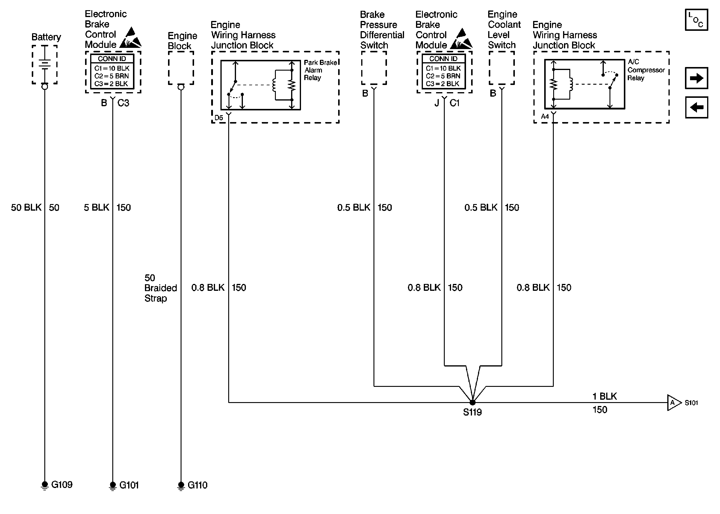
Cell 14: G101, G109, and G110
Cell 14: G200
Figure 6:

Cell 14: G101, G109, and G110


Object Number: 343681  Size: FS
Power and Grounding Components
Cell 14: G104
Cell 14: G103
Handling ESD Sensitive Parts Notice
Handling ESD Sensitive Parts Notice
Cell 14: G104
Figure 7:

Cell 14: G104


Object Number: 343683  Size: FS
Power and Grounding Components
Cell 14: G300 and G400
Cell 14: G101, G109, and G110
Cell 14: G101, G109, and G110
Figure 8:

Cell 14: G300 and G400


Object Number: 343685  Size: FS
Power and Grounding Components
Cell 14: G104