GM Service Manual Online
For 1990-2009 cars only
Makes
🢒
Chevrolet
🢒
1999
🢒
Chevy P12 Chassis
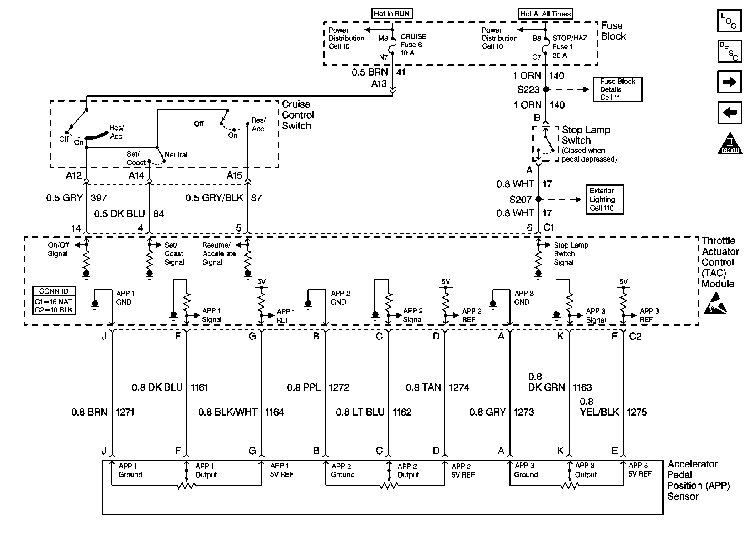
🢒 Cell 20: Accelerator Pedal Position Sensor and Cruise Control
Cell 20: Accelerator Pedal Position Sensor and Cruise Control
Cell 20: Accelerator Pedal Position Sensor and Cruise Control
Engine Controls Components
Throttle Actuator Control (TAC) System Description
Cell 20: A/C, ABS, and Starter Relay Interfaces
Cell 20: Throttle Control
OBD II Symbol Description Notice
Cell 10: Ignition Switch, Fuse Block
Cell 10: Fuse Block, Headlamp Switch
Cell 11: ILLUM, RADIO BATT, CIG LTR, AUX PWR, and STOP HZRD fuses, PWR ACCY 1 CKT BRKR
Cell 110: Exterior Lights Fuses
Handling ESD Sensitive Parts Notice