GM Service Manual Online
For 1990-2009 cars only
Makes
🢒
Chevrolet
🢒
1999
🢒
Chevy P12 Chassis
🢒 Cell 46: Alarm Circuit
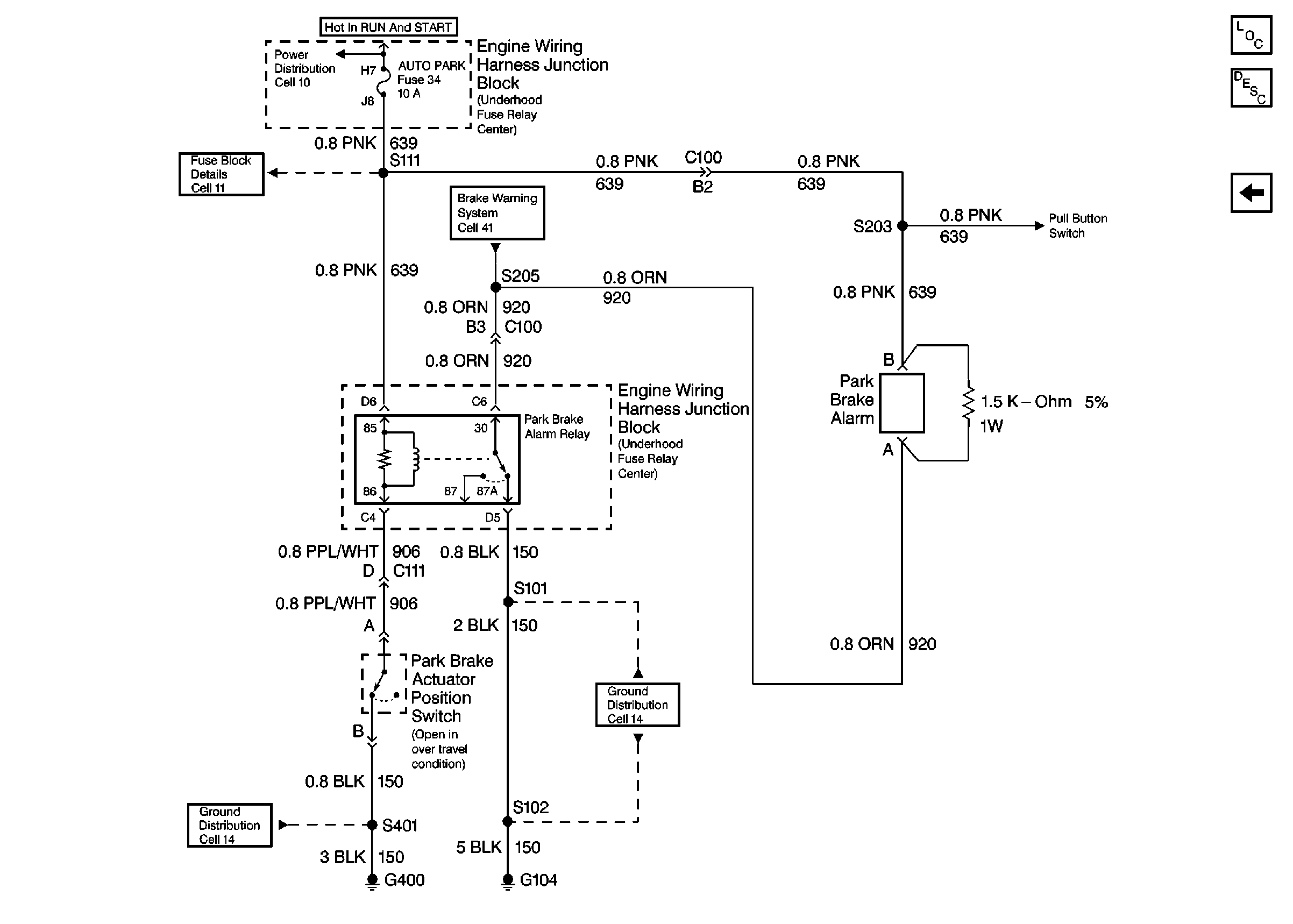
Cell 46: Alarm Circuit
Cell 46: Alarm Circuit
Park Brake System Components
Electric/Auto Park Circuit Description
Cell 46: Indicator Lamp Circuit
Cell 11: ALT/START, AUTO PARK, and ENG-I fuses
Cell 10: Junction Block
Cell 41: Brake Warning Relays
Cell 46: Indicator Lamp Circuit
Cell 14: G104
Cell 14: G300 and G400