GM Service Manual Online
For 1990-2009 cars only
Makes
🢒
Chevrolet
🢒
1998
🢒
Chevy P32 RV/Van Chassis
🢒
Engine
🢒
Engine Electrical
🢒 Starting and Charging Schematics
Starting and Charging Schematics P32
Figure
1:
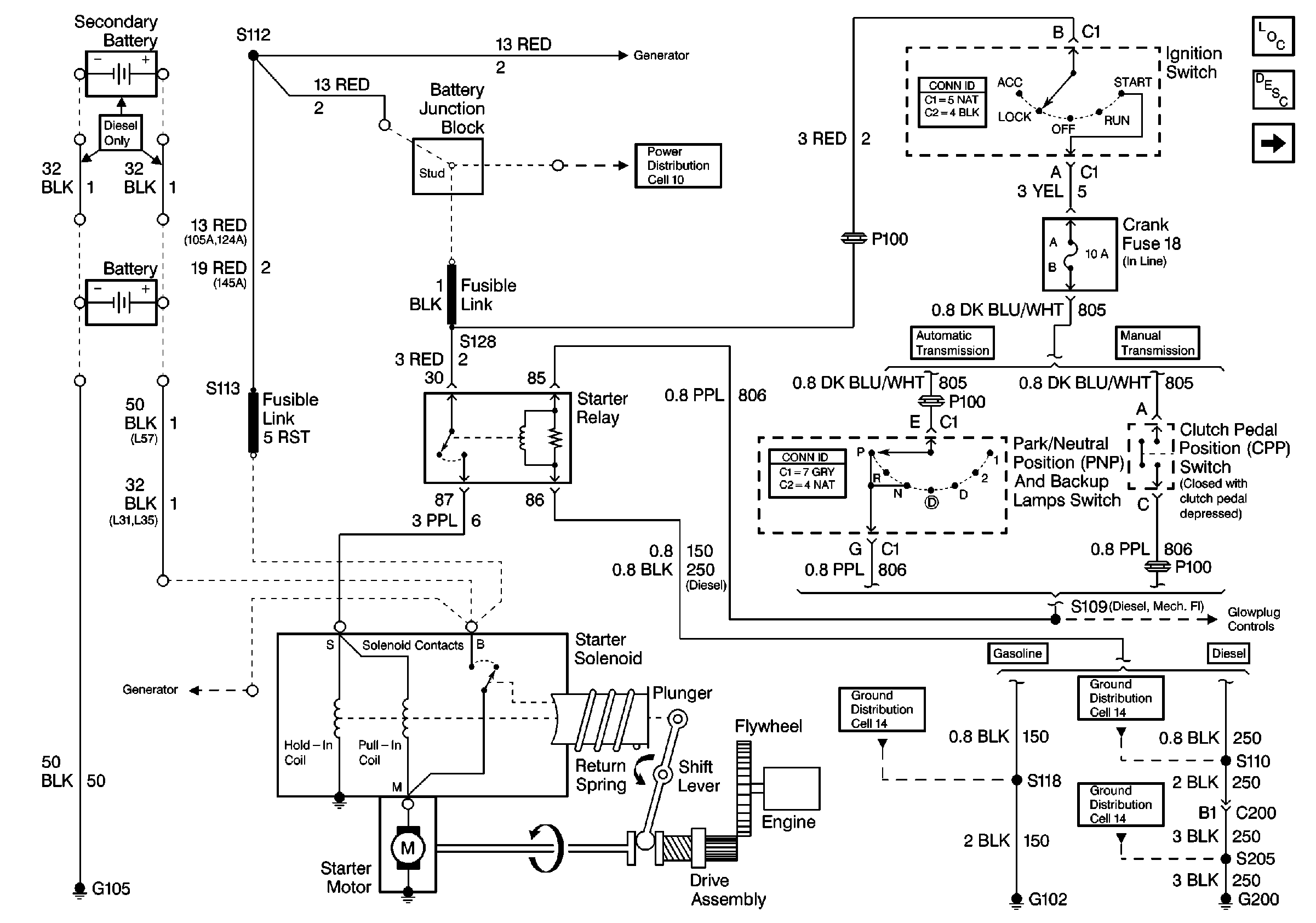
Starting System
Engine Electrical Components P32
Starting System Circuit Description P32
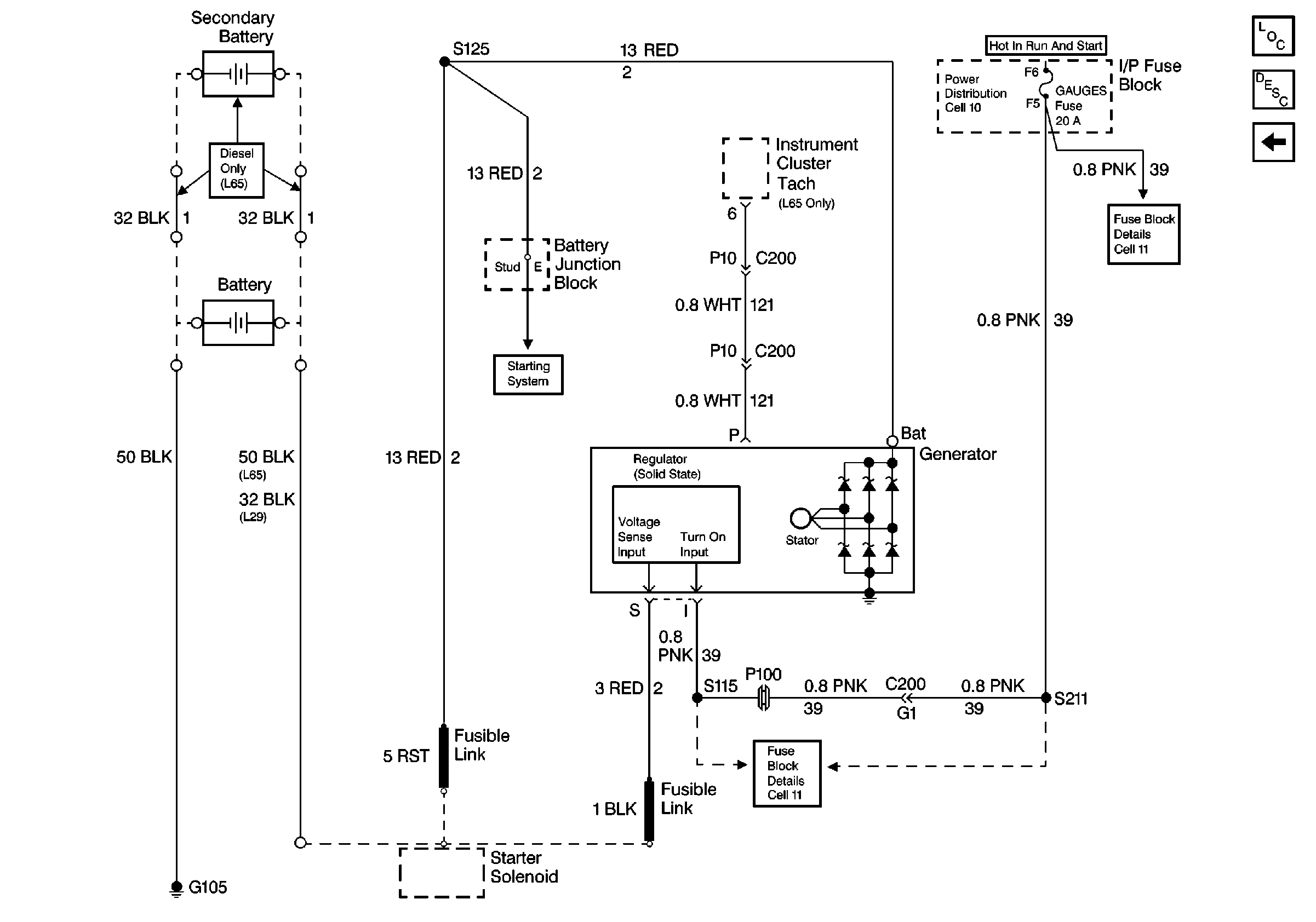
Charging System
Charging System
Cell 10: Battery, Starter and Junction Block
Cell 14: G104 [L65]
Cell 14: G104 [L29]
Charging System
Figure
2:
Charging System
Engine Electrical Components P32
Charging System Circuit Description
Starting System
Starting System
Cell 81: Gauges [L65]
Cell 10: Battery, Starter and Junction Block
Cell 11: GAUGES and TRANS fuses
Cell 11: GAUGES and TRANS fuses
Starting and Charging Schematics P42
Figure
1:
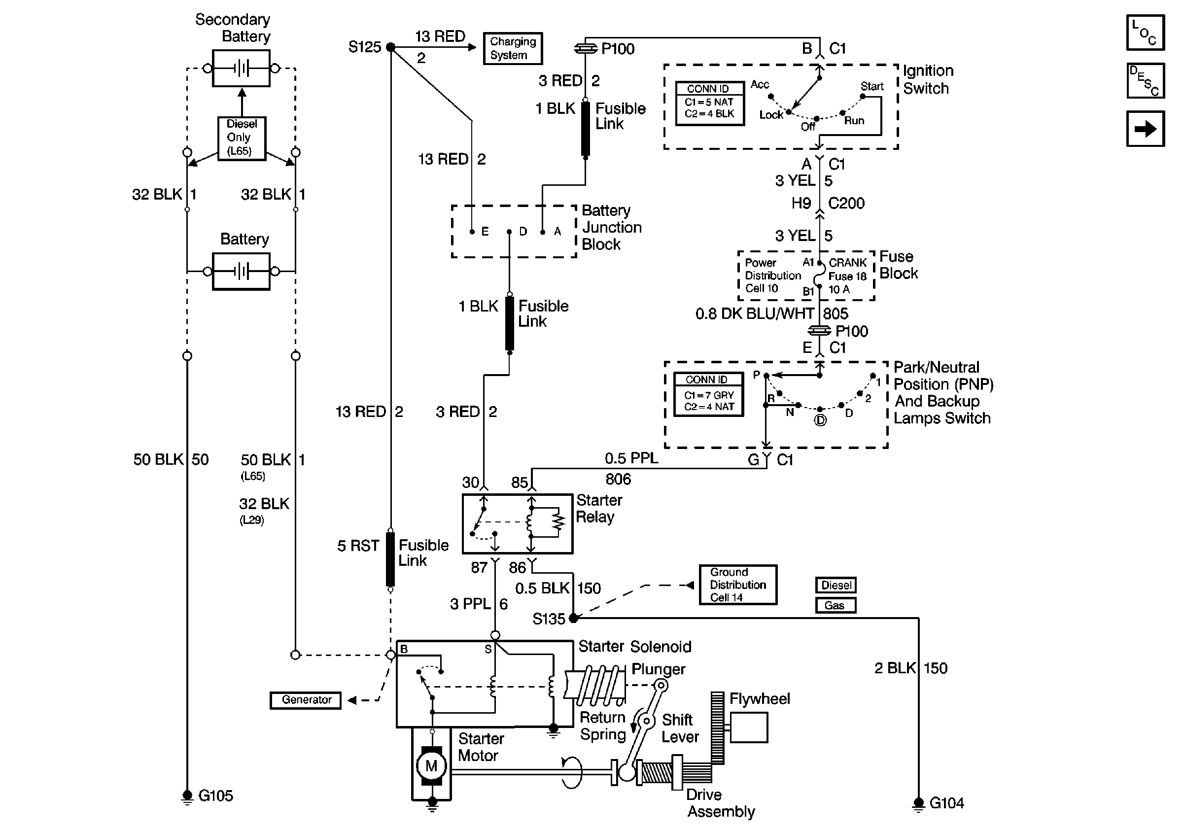
Starting System
Engine Electrical Components P42
Starting System Circuit Description P42
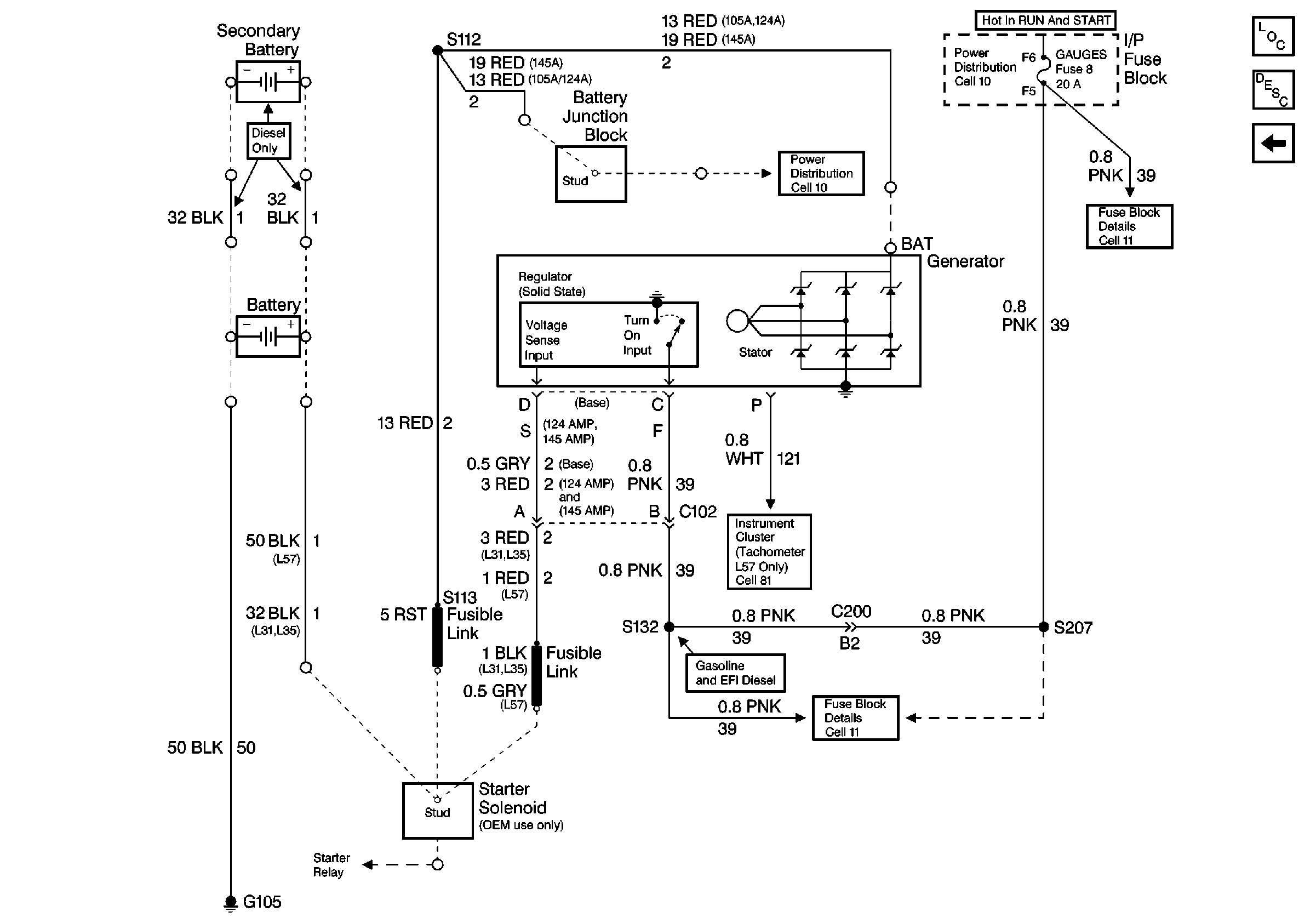
Charging System
Charging System
Cell 10: Battery, Starter and Junction Block
Cell 10: Ignition Switch and Fuse Block
Fuse Block Schematics P32
Cell 14: G200
Cell 14: G102 [L31/L35]
Charging System
Figure
2:
Charging System
Engine Electrical Components P42
Charging System Circuit Description
Starting System
Cell 10: Battery, Starter and Junction Block
Cell 10: Ignition Switch and Fuse Block
Cell 11: GAUGES fuse
Cell 11: GAUGES fuse
Cell 81: Gauges [L57]
Starting System