GM Service Manual Online
For 1990-2009 cars only
Makes
🢒
Chevrolet
🢒
1998
🢒
Chevy P32 RV/Van Chassis
🢒 Engine Controls (Cell 21:Power and Ground)
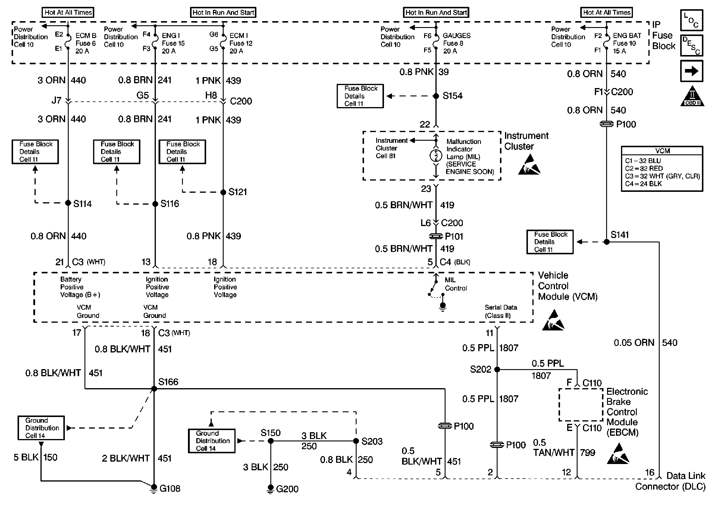
Engine Controls (Cell 21:Power and Ground)
Engine Controls (Cell 21: Power and Ground)
Engine Controls Components
Engine Controls (Cell 21: Ignition Controls)
OBD II Symbol Description Notice
ESD Notice
ESD Notice
ESD Notice