GM Service Manual Online
For 1990-2009 cars only
Makes
🢒
Chevrolet
🢒
1998
🢒
Chevy P32 RV/Van Chassis
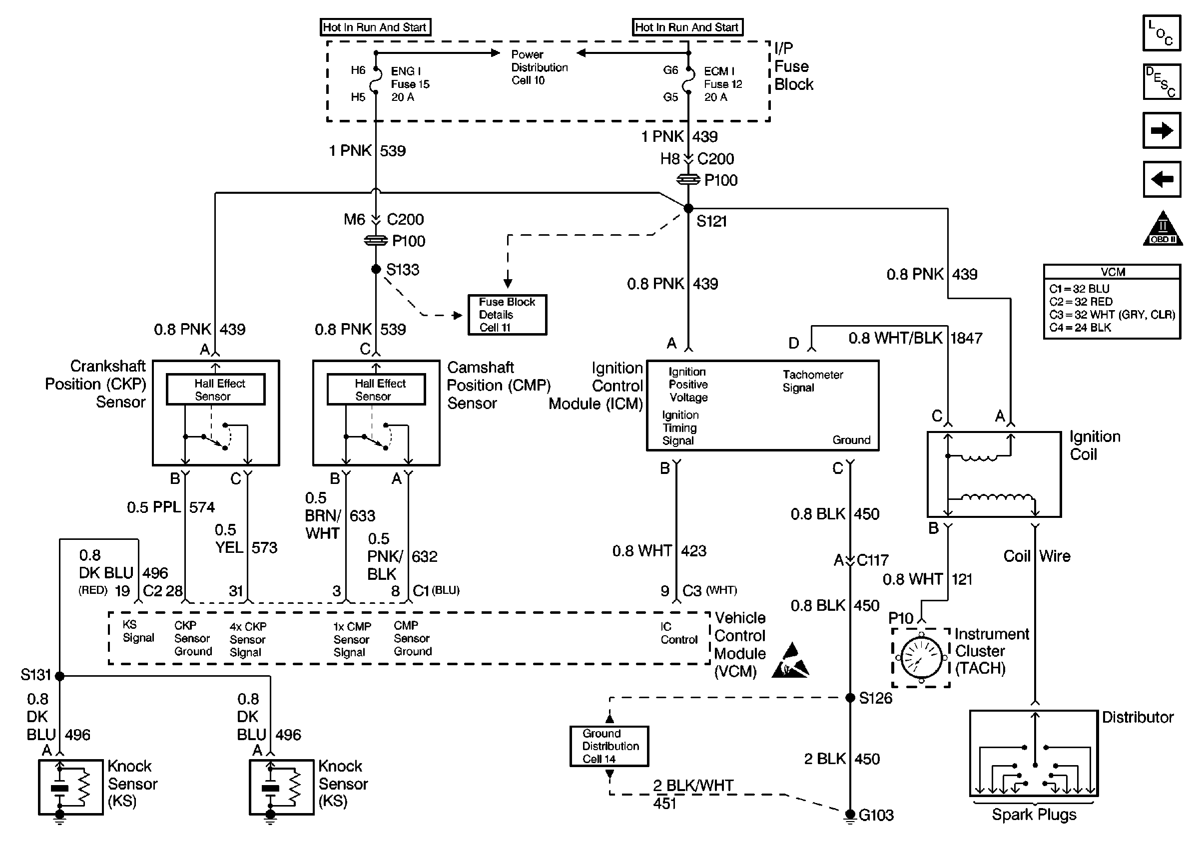
🢒 Engine Controls (Cell 21:Ignition Controls)
Engine Controls (Cell 21:Ignition Controls)
Engine Controls (Cell 21: Ignition Controls)
Engine Controls Components
Engine Controls (Cell 21: Fuel Controls 1)
Engine Controls (Cell 21: Power and Ground)
OBD II Symbol Description Notice
ESD Notice