GM Service Manual Online
For 1990-2009 cars only
Makes
🢒
Chevrolet
🢒
1998
🢒
Chevy P32 RV/Van Chassis
🢒 Cell 81(2 of 4)
Cell 81(2 of 4)
Cell 81(2 of 4)
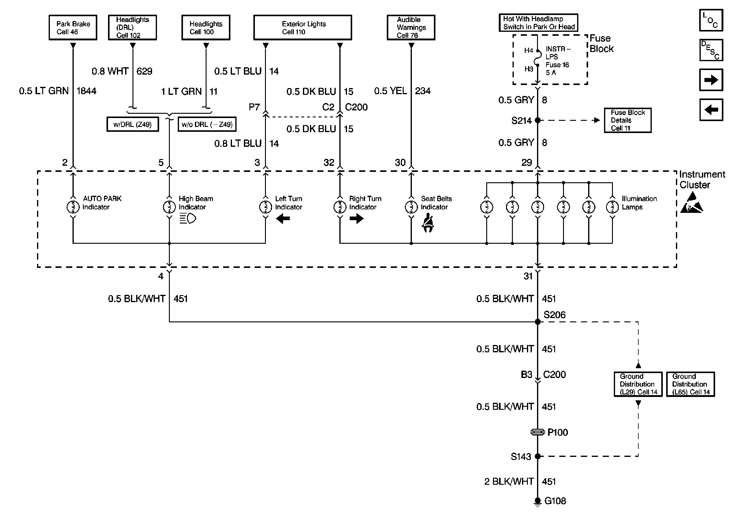
Instrument Cluster Components P32
Instrument Cluster Circuit Description
Cell 81(3 of 4)
Cell 81(1 of 4)
Cell 41: AUTO PARK Warning Circuit
Cell 102: Ignition Switch and IP Cluster
Cell 100: Headlamps Switch and Base Headlamps
Cell 110: Headlamps Switch and IP Cluster
Audible Warnings Schematics P32
Cell 11: WIPER, ACC-RADIO, CRANK, AUTO APPLY, and INSTR LPS fuses
Handling ESD Sensitive Parts Notice
Cell 14: G108 [L29]
Cell 14: G108 [L65]