GM Service Manual Online
For 1990-2009 cars only

Crankshaft Rear Oil Seal and Housing Replacement Housing

Removal Procedure


    Object Number: 31739  Size: SH

    Important: Do not remove the crankshaft rear oil seal housing if you are only replacing the crankshaft rear oil seal.

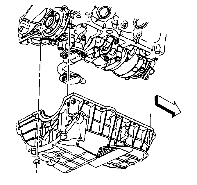
  1. Remove the oil pan. Refer to Oil Pan Replacement .

  2. Object Number: 188130  Size: SH
  3. Remove the transmission assembly. Refer to Transmission Replacement in Automatic Transmission.
  4. Remove the engine flywheel. Refer to Engine Flywheel Removal .

  5. Object Number: 334319  Size: SH
  6. Remove the 3 bolts and the 1 nut that hold the housing on the crankshaft rear oil seal to the engine.
  7. Remove the housing from the crankshaft rear oil seal.
  8. Remove and discard the housing gasket from the crankshaft rear oil seal.
  9. Clean all the sealing surfaces.
  10. Inspect the housing on the crankshaft rear oil seal for the following defects:
  11. • Warping
    • Cracks
    • Wear
    • Damage

Installation Procedure


    Object Number: 334319  Size: SH
  1. Install a new housing gasket to the crankshaft rear oil seal.

  2. Object Number: 334317  Size: SH

    Important: When installing a new crankshaft rear oil seal housing the seal will come with the housing. Refer to Crankshaft Rear Oil Seal and Housing Replacement if reusing the housing.

  3. Install the new crankshaft rear oil seal housing with the oil seal to the engine block using the following procedure.
  4.         Important: Do not oil or grease the seal lip.

    2.1. Leave the sleeve in the crankshaft rear oil seal and use the sleeve as a guide in order to ease the seal lip over the crankshaft.
    2.2. Push the housing with the seal, on the crankshaft rear oil seal, fully onto the crankshaft until the crankshaft rear oil seal housing is against the gasket on the crankshaft rear oil seal and the engine block.

    Notice: Use the correct fastener in the correct location. Replacement fasteners must be the correct part number for that application. Fasteners requiring replacement or fasteners requiring the use of thread locking compound or sealant are identified in the service procedure. Do not use paints, lubricants, or corrosion inhibitors on fasteners or fastener joint surfaces unless specified. These coatings affect fastener torque and joint clamping force and may damage the fastener. Use the correct tightening sequence and specifications when installing fasteners in order to avoid damage to parts and systems.

  5. Install the 3 bolts and the 1 nut to the housing on the crankshaft rear oil seal.
  6. Tighten
    Tighten the bolts and nut to 12 N·m (106 lb in).


    Object Number: 188130  Size: SH
  7. Install the engine flywheel. Refer to Engine Flywheel Installation .
  8. Install the transmission assembly. Refer to Transmission Replacement in Automatic Transmission.

  9. Object Number: 31739  Size: SH
  10. Install the oil pan. Refer to Oil Pan Replacement .

Crankshaft Rear Oil Seal and Housing Replacement Oil Seal

Removal Procedure


    Object Number: 188130  Size: SH
  1. Remove the transmission assembly. Refer to Transmission Replacement in Automatic Transmission.
  2. Remove the flywheel. Refer to Engine Flywheel Removal .
  3. Remove the crankshaft rear oil seal from the crankshaft rear oil seal housing.
  4. Insert a suitable tool into the access notches and then carefully pry the crankshaft rear oil seal from the housing.

  5. Discard the crankshaft rear oil seal.

Installation Procedure

Tools Required

J 35621-B Rear Main Seal Installer


    Object Number: 334550  Size: SH

    Important: Do not oil or grease the seal lip.

  1. Use the J 35621-B in order to install the new oil seal. Refer to Crankshaft Rear Oil Seal and Housing Installation .

  2. Object Number: 188130  Size: SH
  3. Install the engine flywheel. Refer to Engine Flywheel Replacement .
  4. Install the transmission assembly. Refer to Transmission Replacement in Automatic Transmission.