GM Service Manual Online
For 1990-2009 cars only

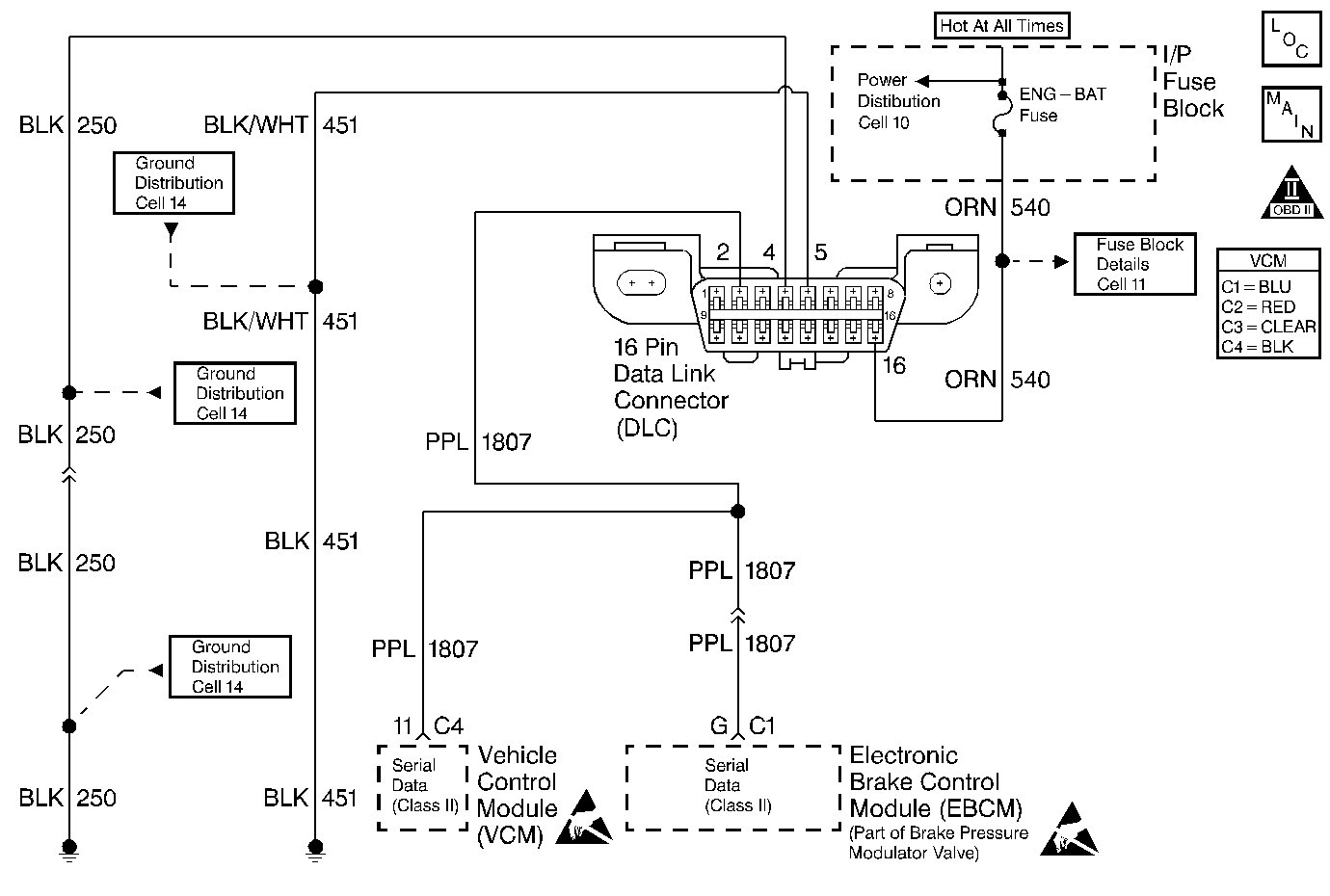
Object Number: 230455  Size: MF
Engine Controls Component Views
Engine Controls (Cell 21: Power and Ground)
OBD II Symbol Description Notice
Handling ESD Sensitive Parts Notice
Handling ESD Sensitive Parts Notice

Circuit Description

This diagnostic trouble code (DTC) is used to determine when the electronic brake control module (EBCM) has lost the ability to provide rough road data to the control module for misfire detection (DTC P0300). When the control module detects this condition on the Class 2 Serial Data circuit, this DTC will be set.

Conditions for Running the DTC

    • The vehicle speed is 1 mph(2 km/h) or more
    • The engine speed is less than 5,800 RPM
    • The engine load is less than 89 %

Conditions for Setting the DTC

The VCM determines that the ABS system is unable to detect a rough road condition.

Action Taken When the DTC Sets

    • The control module stores the DTC in history after the first failure but will not illuminate the malfunction indicator lamp (MIL).
    • The control module records the operating conditions at the time the diagnostic fails. The control module stores the failure information in the scan tools Freeze Frame/Failure Records.

Conditions for Clearing the MIL or DTC

    • The control module turns OFF the MIL after 3 consecutive drive trips when the test has run and passed.
    • A history DTC will clear if no fault conditions have been detected for 40 warm-up cycles. A warm-up cycle occurs when the coolant temperature has risen 22°C (40°F) from the startup coolant temperature and the engine coolant reaches a temperature that is more than 70°C (158°F) during the same ignition cycle.
    • Use a scan tool in order to clear the DTCs.

Diagnostic Aids

Check for the following conditions:

An intermittent may be caused by any of the following conditions:

    • A poor connection
    • Rubbed through wire insulation
    • A broken wire inside the insulation

Thoroughly check any circuitry that is suspected of causing the intermittent complaint. Refer to Intermittents and Poor Connections Diagnosis in Wiring Systems.

If a repair is necessary, refer to Wiring Repairs or Connector Repairs in Wiring Systems.

Test Description

Number(s) below refer to the step number(s) on the Diagnostic Table.

  1. This step isolates an open serial data circuit from the EBCM system.

Step

Action

Value(s)

Yes

No

1

Important: Before clearing the DTCs, use the scan tool Capture Info to save the Freeze Frame and Failure Records for reference. The control module's data is deleted once the Clear Info function is used.

Did you perform the Powertrain On-Board Diagnostic (OBD) System Check?

--

Go to Step 2

Go to Powertrain On Board Diagnostic (OBD) System Check

2

  1. Disconnect the VCM and EBCM.
  2. Check the serial data circuit between the VCM and the EBCM for a poor connection.

Did you find a problem?

--

Go to Step 3

Go to Diagnostic System Check in Antilock Brakes

3

Repair the circuit as necessary. Refer to Wiring Repairs or Connector Repairs in Wiring Systems.

Is the action complete?

--

Go to Step 4

--

4

  1. Using the scan tool, clear the DTCs.
  2. Start the engine.
  3. Allow the engine to idle until the engine reaches normal operating temperature.
  4. Select DTC and the Specific DTC function.
  5. Enter the DTC number that was set.
  6. Operate the vehicle, within the Conditions for Setting this DTC, until the scan tool indicates the diagnostic Ran.

Does the scan tool indicate the diagnostic Passed?

--

Go to Step 5

Go to Step 2

5

Does the scan tool display any additional undiagnosed DTCs?

--

Go to the applicable DTC table

System OK