GM Service Manual Online
For 1990-2009 cars only
Makes
🢒
Chevrolet
🢒
1998
🢒
Chevy P42 Commercial Chassis
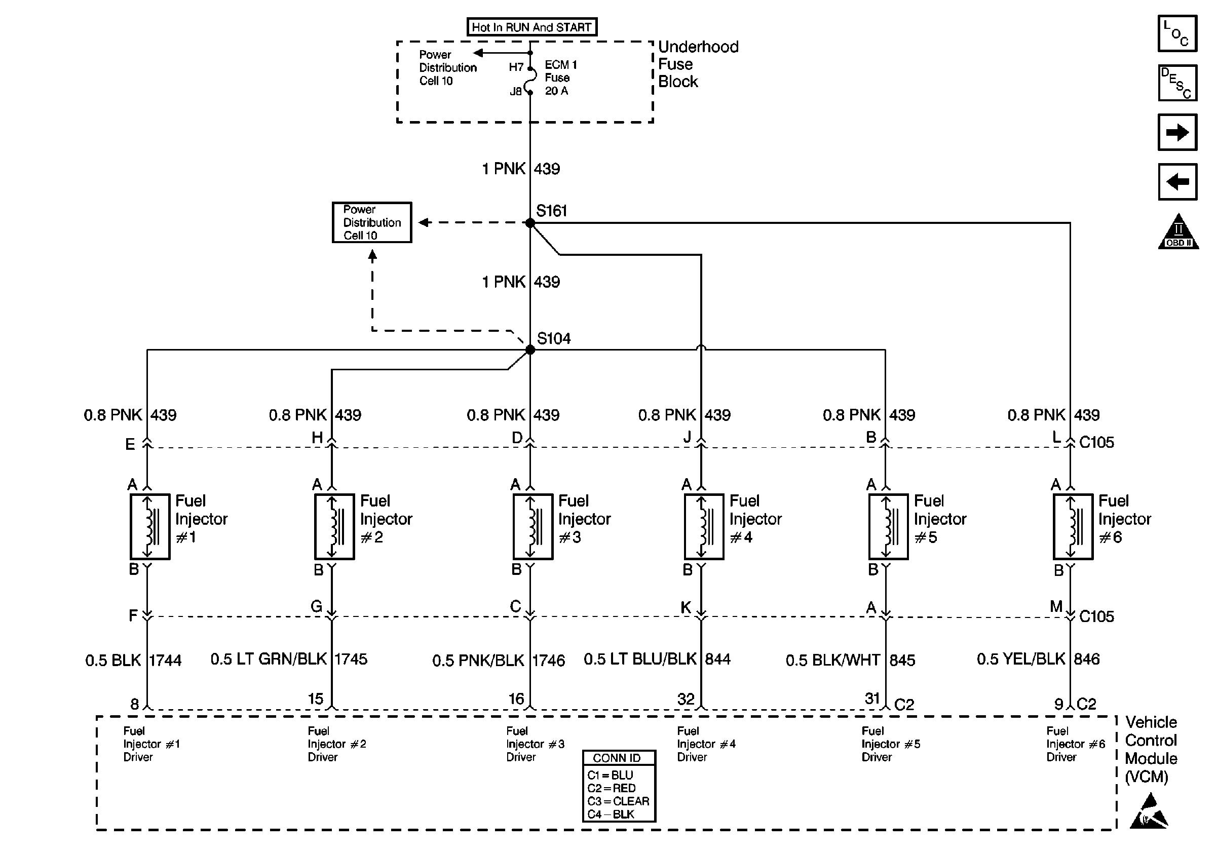
🢒 Fuel Injector Controls
Fuel Injector Controls
Fuel Injector Controls
Engine Controls Components
Information Sensors/Switches Description
Engine Sensors
Fuel Controls
OBDII Symbol Description Notice