GM Service Manual Online
For 1990-2009 cars only
Makes
🢒
Chevrolet
🢒
1998
🢒
Chevy P42 Commercial Chassis
🢒 Engine Sensors
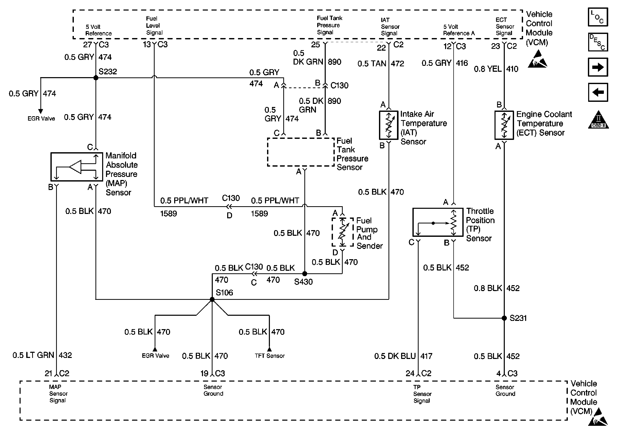
Engine Sensors
Engine Sensors
Engine Controls Components
Information Sensors/Switches Description
EVAP and EGR Controls
Fuel Injector Controls
OBDII Symbol Description Notice