GM Service Manual Online
For 1990-2009 cars only
Makes
🢒
Chevrolet
🢒
1998
🢒
Chevy P42 Commercial Chassis
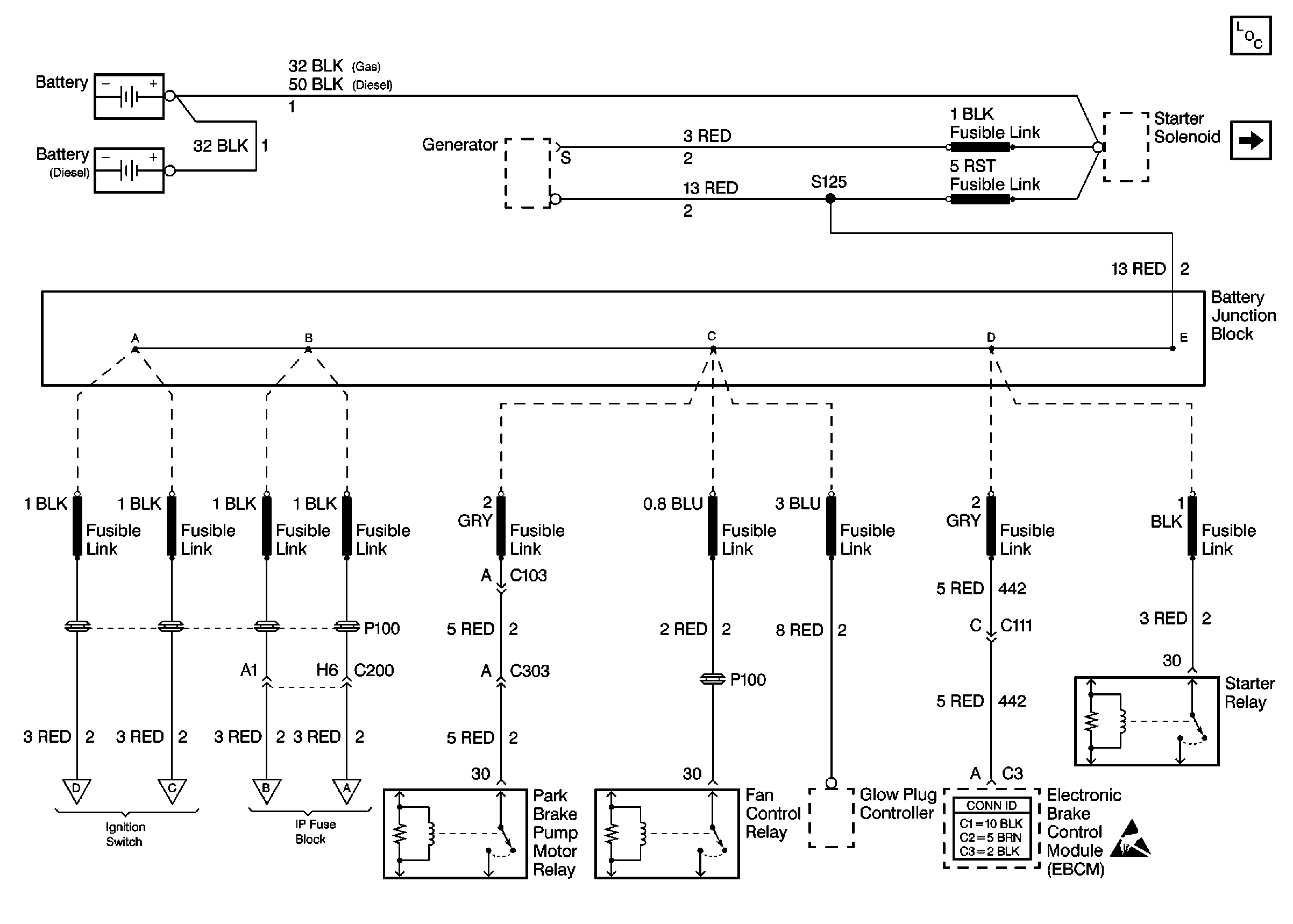
🢒 Cell 10: Battery, Starter and Junction Block
Cell 10: Battery, Starter and Junction Block
Cell 10: Battery, Starter and Junction Block
Power and Grounding Components P32
Cell 10: Fuse Block
Cell 10: Ignition Switch and Fuse Block
Cell 10: Ignition Switch and Fuse Block
Cell 10: Fuse Block
Cell 10: Fuse Block
Handling ESD Sensitive Parts Notice