GM Service Manual Online
For 1990-2009 cars only
Makes
🢒
Chevrolet
🢒
1998
🢒
Chevy P42 Commercial Chassis
🢒 Cell 10: Fuse Block
Cell 10: Fuse Block
Cell 10: Fuse Block
Power and Grounding Components P32
Cell 10: Ignition Switch and Fuse Block
Cell 10: Battery, Starter and Junction Block
Cell 10: Battery, Starter and Junction Block
Cell 10: Battery, Starter and Junction Block
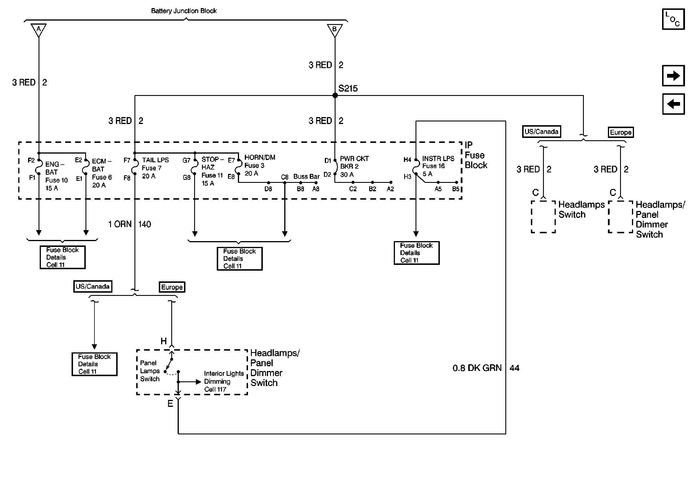
Cell 11: ENG-BAT and ECM-BAT fuses
Cell 11: STOP-HAZ, TAIL LPS, and HORN DM fuses
Cell 11: STOP-HAZ, TAIL LPS, and HORN DM fuses
Cell 11: Wiper, Acc-Radio, Crank, Auto Apply, and Instr Lpsfuses
Cell 117:[Export Only]