GM Service Manual Online
For 1990-2009 cars only
Makes
🢒
Chevrolet
🢒
1998
🢒
Chevy P42 Commercial Chassis
🢒 Cell 117
Cell 117
Cell 117
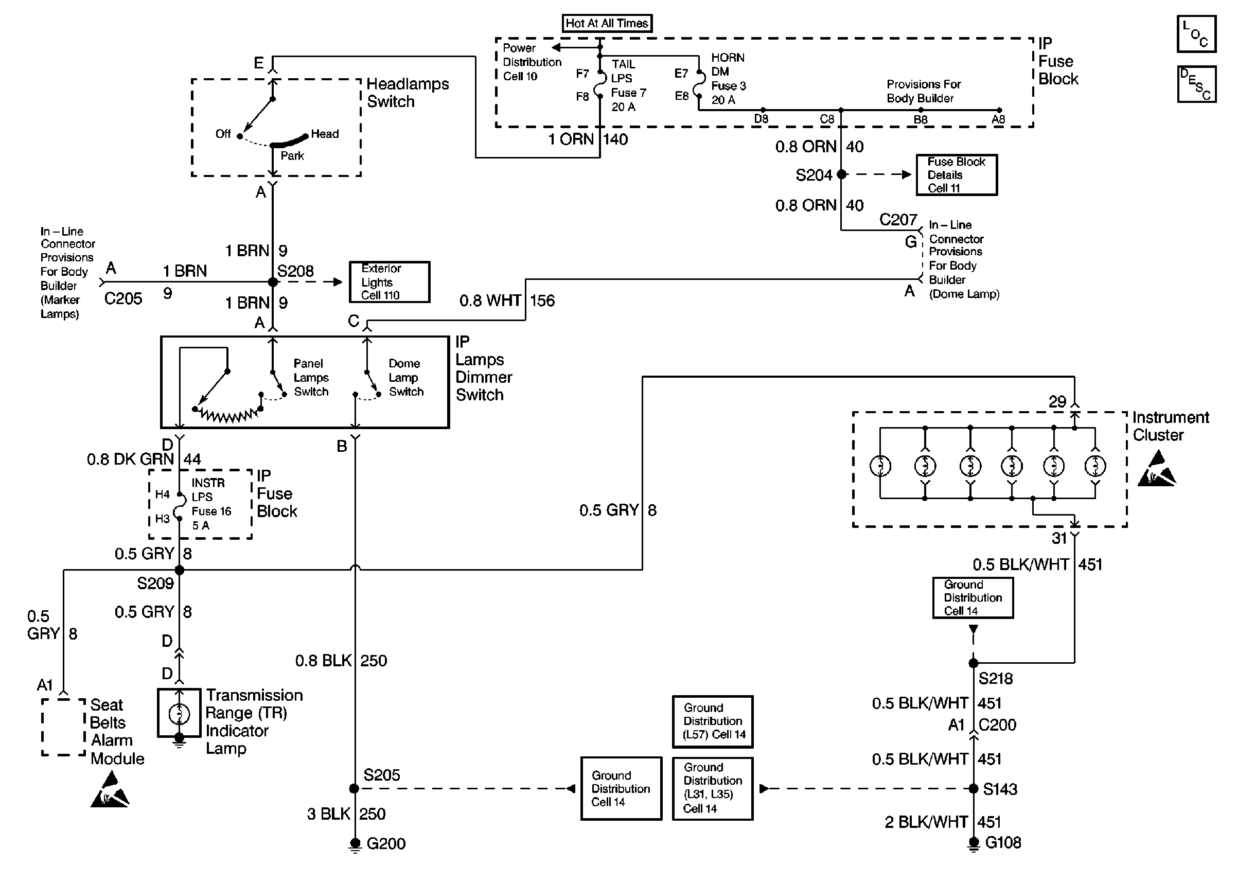
Lighting Systems Components P42
Exterior Lights Circuit Description P42
Cell 10: Fuse Block and Headlamp Switch
Cell 11: STOP-HAZ, TAIL LPS, and HORN/DM fuses, PWR CKT BRKR 2
Cell 110: Headlamps Switch and Turn Signal Indicators
Handling ESD Sensitive Parts Notice
Handling ESD Sensitive Parts Notice
Cell 14: G200
Cell 14: G108 [L31/L35]
Cell 14: G108 [L57]