GM Service Manual Online
For 1990-2009 cars only
Makes
🢒
Chevrolet
🢒
1998
🢒
Chevy P42 Commercial Chassis
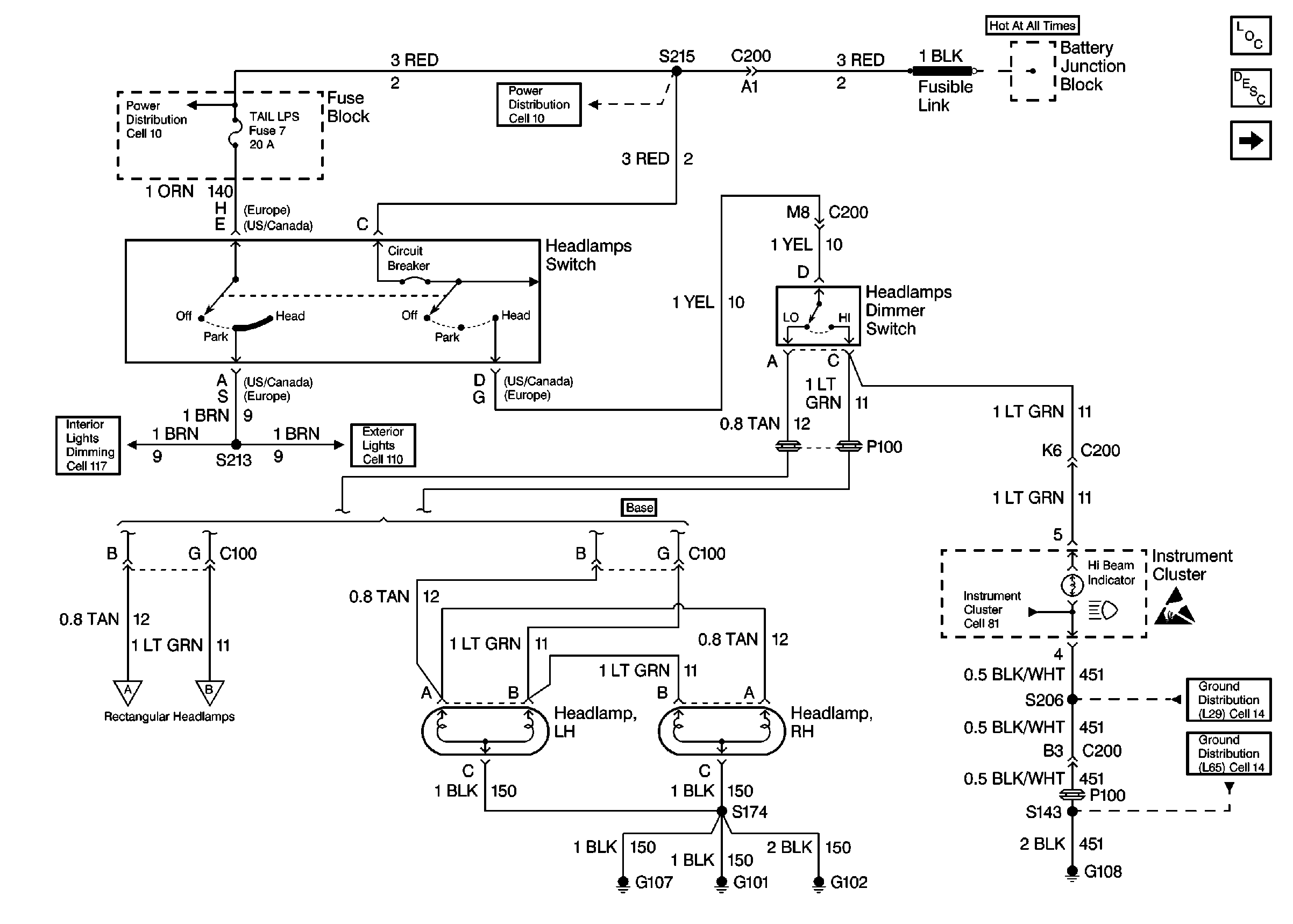
🢒 Cell 100: Headlamps Switch and Base Headlamps
Cell 100: Headlamps Switch and Base Headlamps
Cell 100: Headlamps Switch and Base Headlamps
Lighting Systems Components P32
Exterior Lights Circuit Description P32
Cell 100: Rectangular Headlamps
Cell 10: Fuse Block
Cell 10: Fuse Block
Cell 117
Cell 110: Headlamps Switch and IP Cluster
Cell 100: Rectangular Headlamps
Cell 100: Rectangular Headlamps
Handling ESD Sensitive Parts Notice
Cell 14: G108 [L29]
Cell 14: G108 [L65]