GM Service Manual Online
For 1990-2009 cars only
Makes
🢒
Chevrolet
🢒
1998
🢒
Chevy P42 Commercial Chassis
🢒 Cell 112
Cell 112
Cell 112
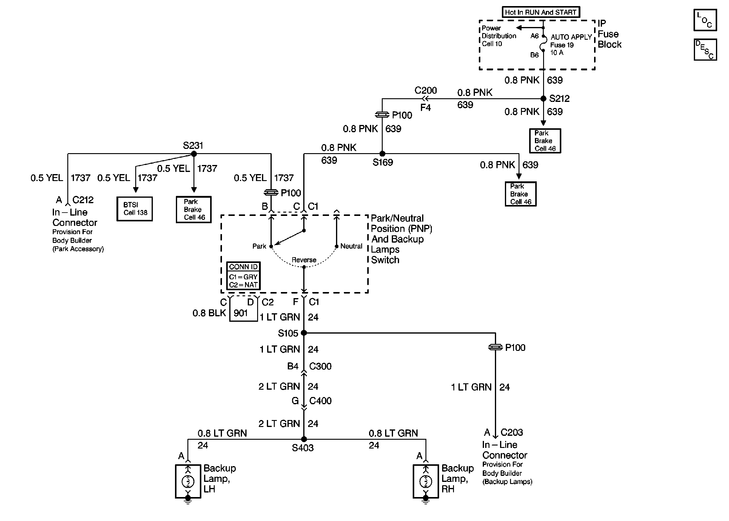
Lighting Systems Components P32
Exterior Lights Circuit Description P32
Cell 10: Ignition Switch and Fuse Block
Cell 41: AUTO PARK Warning Circuit
Cell 138: P32 BTSI Circuit
Cell 41: Park Brake Pump Control
Cell 41: Park Brake Pump Control