GM Service Manual Online
For 1990-2009 cars only
Makes
🢒
Chevrolet
🢒
1998
🢒
Chevy P42 Commercial Chassis
🢒 Cell 100
Cell 100
Cell 100
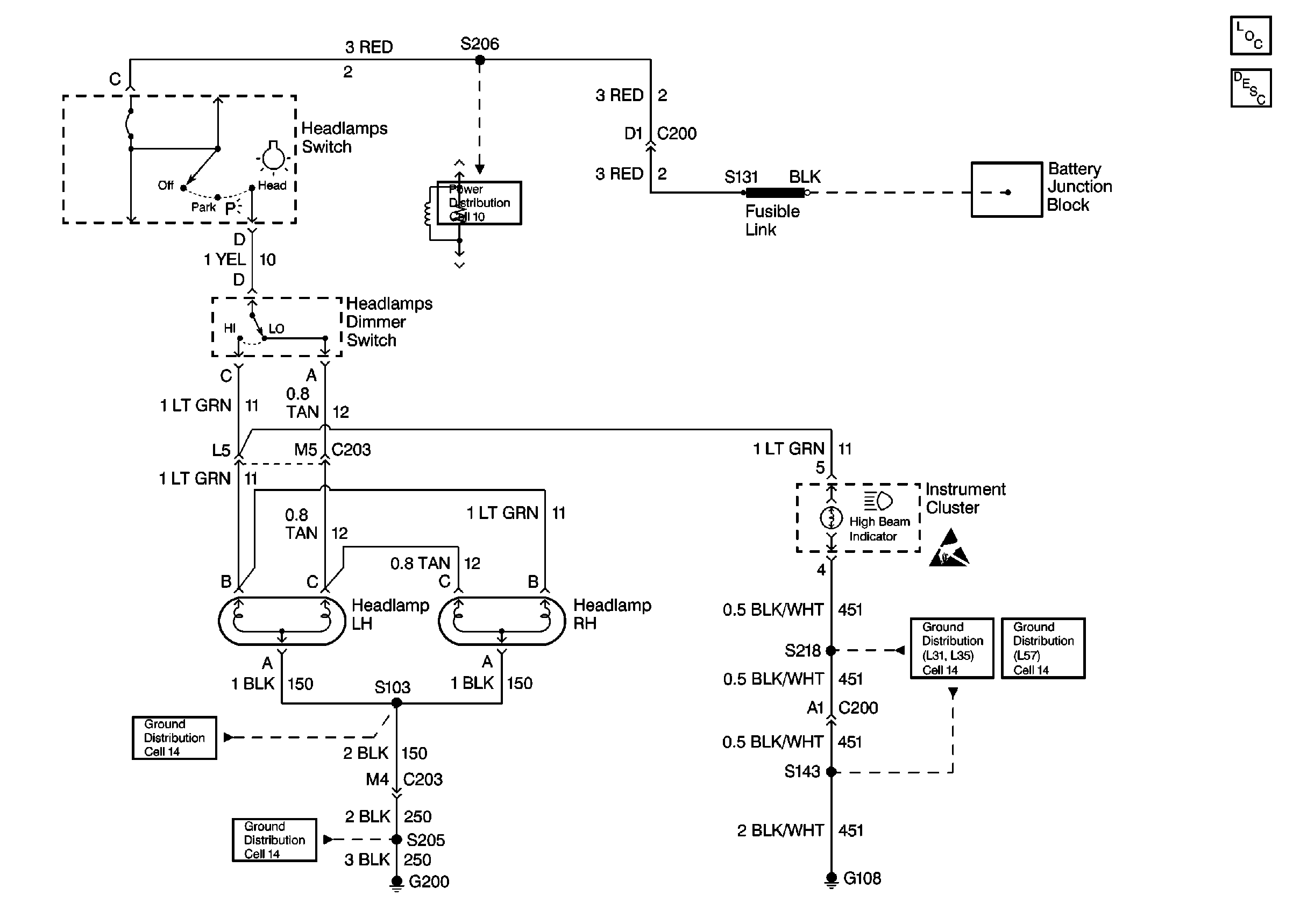
Lighting Systems Components P42
Exterior Lights Circuit Description P42
Cell 10: Fuse Block and Headlamp Switch
Handling ESD Sensitive Parts Notice
Cell 14: S103
Cell 14: G200
Cell 14: G108 [L31/L35]
Cell 14: G108 [L57]